如何看家电维修图纸讲解 搞电气看不懂电气图纸怎么工作?老师傅手把手带您看图纸
搞电气看不懂电气图纸怎么工作?老师傅手把手带您看图纸
怎样识读电气图(实例讲解)
电气工程图不同于机械工程图,电气工程图中电气设备和线路,往往采用简化办法绘制而成。
拿到图纸后,首先要仔细阅读图纸的主标题栏和有关说明,如图纸目录、技术说明、元器件明细表、施工说明书等;结合已有的电工、电子技术知识,对该电气图的类型、性质、作用有一个明确的认识,从整体上理解图纸的概况和所要表述的重点。
电路图是电气图的核心,也是内容最丰富、最难读懂的电气图纸。
识读电路图首先要识读有哪些图形符号和文字符号,了解电路图各组成部分的作用,分清主电路和辅助电路、交流回路和直流回路;其次,按照先识读主电路,再识读辅助电路的顺序进行识图。
识读主电路时,通常要从下向上识读,即先从用电设备开始,经控制元器件,顺次往电源端识读;识读辅助电路时,则自上而下、从左至右识读,即先识读电源,再顺次识读各条支路,分析各条支路元器件的工作情况及其对主电路的控制关系,注意电气与机械机构的连接关系。
通过识读主电路,要搞清负载是怎样取得电源的,电源线都经过哪些元器件到达负载和为什么要通过这些电器元件。通过识读辅助电路,应搞清辅助电路的构成,各电器元件之间的相互联系和控制关系及其动作情况等,同时还要了解辅助电路和主电路之间的相互关系,进而搞清楚整个电路的工作原理和来龙去脉。
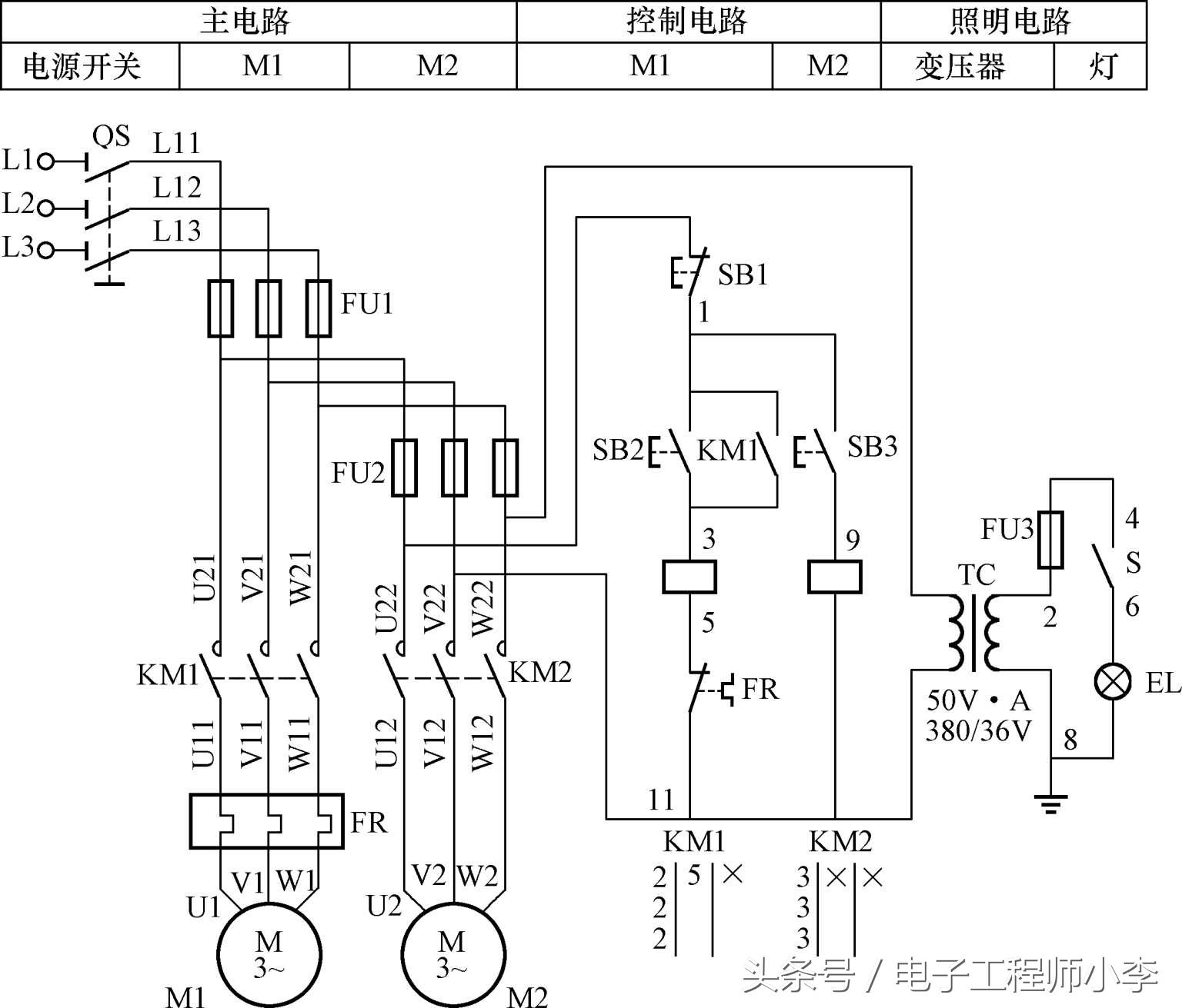
图1-20所示为电动机的控制电路,即是一个识读电气图的实例。
图1-20 电动机控制电路
(1)第一步。 在该电气图中,两台三相电动机M1和M2的工作电路,即为主电路。这两台三相电动机起动装置的拉线方法,均为Y形(星形)起动法。
辅助电路则为控制电路和照明电路。
(2)第二步。 在识读主电路时,要弄清楚电动机是用什么元器件控制的。图1-20中的电动机是用接触器控制的。当接触器KM1吸合时,电动机M1起动;当接触器KM2吸合时,电动机M2起动。
(3)第三步。 要识读主电路中所用的控制电器及保护电器。图1-20中,两条主电路中接有电源开关QS、热继电器FR和熔断器FU1,分别对电动机M1起过载保护和短路保护作用。熔断器FU2,则对电动机M2和控制电路起短路保护作用。
(4)第四步是看电源 ,要了解电压等级是380V还是220V。从图1-20中知,电动机M1和电动机M2的电源电压应均为三相380V。主电路的构成情况是:三相电源L1L2L3、、→电源开关QS→熔断器FU1→接触器KM1→热继电器FR→三相电动机M1。另一条支路,则是熔断器FU2接在熔断器FU1端头U21、V21、W21上→接触器KM2→三相电动机M2。
辅助电路的电源,一般是从主电路上接出来,电压既可能是380V,也可能是220V。图1-20中,辅助电路的电源是从主电路的两条相线上接出来,因此电压为380V。
在图1-20中,辅助电路有两条支路,即接触器KM1和KM2支路,其动作过程为:
(1)闭合电源开关QS后,主电路和辅助电路均有电压,辅助电路由线段U22、V22和W22、V22引出。
(2)当按下起动按钮SB2时,即形成一条支路,电流经U22→停止按钮SB1→起动按钮SB2→接触器KM1→热继电器FR的热元件→V22形成回路,使接触器KM1得电吸合。接触器KM1吸合,闭合其主电路中主触点,电动机M1接入电源,开始运转。同理,按下起动按钮SB3,电动机M2开始运转。
在起动按钮SB2两端并接了接触器KM1的辅助动合触点KM1(1-3)触点。其作用是:在松开起动按钮SB2时,SB2触点断开,因此KM1已起动,辅助动合触点KM1(1-3)已闭合,电流经辅助触点KM1(1-3)流过,电路不会因起动按钮SB2的断开而失电,辅助触点KM1(1-3)起了自保持作用。对于接触器KM2,由于工作的要求,不需自保持,当SB3松开,电动机M2即停转。
(3)停车只要按下停止按钮SB1。SB1串联在KM1和KM2电路中。按下停止按钮SB1,电路开路,接触器KM1、KM2失电,使主电路中的接触器主触点断开,电动机失电。当再起动时,必须重新按下起动按钮SB2、SB3。
综上所述,电动机的起动由接触器或断电器控制,而接触器或继电器的吸合或释放则由开关或按钮控制。这种开关或按钮→接触器或继电器→电动机的控制形式,就是机械自动化的基本形式。
在图1-20中,EL是局部照明灯,TC是380/36V照明变压器,提供36V安全电压。照明灯开关S闭合时,照明灯EL就亮。识读这些电气设备和电气元器件(如整流设备和灯具)比较容易,只要知道它们的线路走向和电路的来龙去脉就行了。
相关问答
电气 图纸 怎么看?电气图是用来阐述电气工作原理,描述电气产品的构造和功能,并提供产品安装和使用方法的一种简图,主要以图形符号、线框或简化外表,来表示电气设备或系统中各有...
配电柜 图纸 怎么看?首先你先要会看CAD1:纵览全局。一幅图纸拿到手里,首先看图名是什么,这个图纸代表的东西,在生活里有没有见过。其次,看主结构,了解其大致的外形是什么样子...
怎样学会看电气 图纸 ?弄懂电气原理就可以学会看电气图纸了。第一步:看电源。首先看清电源的种类.是交流还是直流。其次.要看清辅助电路的电源是从什么地方接来的,及其电压等级。电源...
如何看 懂装修 图纸 ?想要看的懂图纸,需要从以下方面来学习:1、先看图纸目录。图纸目录是了解整个装饰设计整体情况的目录,从其中可以明了图纸数量及出图大小和工程号还有建筑单位...
电工 图纸 怎么看?改变电源的相序可改变电动机的转向。2、结合电器元件的结构和工作原理识图看电路图时应搞清楚电器元件的结构、性能、在电路中的作用、相互控制关系,才能...
电梯电气 图纸 怎么看?要看懂电梯电气图纸需要具备相关的电气知识和相关经验。如果您对电气知识不熟悉,建议先学习相关的基础知识,例如电路原理、电器设备等。然后可以通过学习电梯...
管道 图纸 肿么看懂得最快?-ZOL问答在阅读工程图纸之前,首先需要了解工程的总体情况。这包括对项目的背景和目标进行初步了解。接下来,我们可以阅读平面图以了解管道的走向、连接设备以及各层使...
教你 如何看懂 装修 图纸 看懂装修 图纸 的指南这就会自然而然牵扯到装修图纸的问题,有的时候就是因为我们看不懂图纸,导致在今后装修过程中装修效果的意见不统一,下面小编就为大家整理出如何看懂装修图纸的指...
水电施工 图纸 中的各种字母各代表什么含义,如JZL、KL等,_作业帮[最佳回答]有的是主材的型号,有的是电器回路编号,还有的是元器件代号.详细的要看具体的图纸.
家装灯具插座 图纸 怎么看?家装灯具插座图纸通常是由建筑师、设计师、电气工程师等专业人员绘制,目的是为了具体表达灯具、插座等电器设备在居室中的布置和位置安排。查看家装灯具插座图...
相关文章
-
2026年4月9日:一文看懂AI助手入口的三大技术实现路径详细阅读
在2026年的AI应用版图中,AI助手入口已经从一个单纯的交互界面概念,演变为涵盖浏览器协议、前端SDK、API网关等多层次技术架构的核心基础设施。无...
2026-04-20 4
-
2026年4月9日:Spring AI助手配置MCP协议全攻略详细阅读
一、开篇引入 在2026年的AI应用开发中,如何让大模型高效、安全地调用外部工具,已成为开发者绕不开的核心命题。Model Context Prot...
2026-04-20 4
-
2026年4月8日 门诊助手AI搜索资料:Spring AI MCP协议全解析详细阅读
一、开篇引入 模型上下文协议(Model Context Protocol,简称MCP)是2024年由Anthropic公司提出的开源协议,旨在标准...
2026-04-20 4
-
2026年4月8日 联想AI助手:从“陪聊”到“执行”,天禧Claw系统级Agent深度解析详细阅读
开篇引入 “说得好听,但能不能帮我动手把事办了?”这是当前AI聊天框时代大多数用户的真实心声。无论是写周报、润色邮件还是查资料,大语言模型(Larg...
2026-04-20 5
-
2026年4月10日 通用助手AI核心技术:RAG原理与面试题全解析详细阅读
在AI应用开发的技术版图中,RAG(检索增强生成)正从一项实验性方案蜕变为企业级智能应用的核心支柱。许多学习者和开发者对这个概念的理解仍停留在“让模型...
2026-04-20 5
-
2026年4月10日 编程界的“根_英雄联盟ai助手”:Spring框架IoC与AOP核心原理深度解析详细阅读
开篇引入 在Java企业级开发的生态系统中, Spring框架 无疑占据着“根_英雄联盟ai助手”般的核心地位——它就像游戏里的全能辅助,默默在后台...
2026-04-20 5
-
餐饮老板别硬扛了!AI炒菜机器人口感咋样?聊点真实的代理门道详细阅读
哎,说起现在开餐馆,真是一把辛酸泪。前两天我还跟一个在郑州开川菜馆的发小打电话,那哥们儿在电话里头唉声叹气的,说店里的厨师长又双叒叕撂挑子了。为啥?累...
2026-04-20 5
-
餐饮老板们,别等隔壁用AI抢客了才着急!聊聊我找“AI餐饮支付系统代理”这档子事详细阅读
哎哟喂,这几天可把我给跑断了腿。事儿是这样的,我那个在郑州开了三年烩面馆的老表,大半夜的给我打电话诉苦。说现在生意是真特么难做,人工贵不说,一到饭点手...
2026-04-20 5

最新评论