维修空调家电培训课件 制冷空调技术培训PPT,精品
制冷空调技术培训PPT,精品
制冷:为了使某一物体(区域)的温度低于环境温度,并维持所需的低温,就需要不断地从其中取出热量,并转移到周围介质中去,这个过程就是制冷。
空调:是利用制冷技术对空气的温度、湿度等进行调节。因此要掌握空调器的原理,就必须了解制冷与空调的基本原理,熟悉制冷与空调的热力学知识。
二、制冷循环系统与组成
制冷循环系统, 由压缩机、 冷凝器、 蒸发器和节流阀四个基本部件组成。用管道依次连接, 形成一个密闭的系统, 制冷剂在系统中不断地循环流动, 发生状态变化, 与外界进行热量交换。
制冷剂在系统中经过蒸发、 压缩、 冷凝、节流四个基本过程完成一个制冷循环。液体制冷剂在蒸发器中吸收被冷却的物体热量之后, 汽化成低温低压的蒸汽。压缩机压缩高压高温蒸汽后排入冷凝器向冷却介质(水或空气)放热, 冷凝为高压液体、 经节流阀变成低压低温制冷剂、再进入蒸发器吸热汽化, 实现循环制冷。
1、压缩机
制冷循环的动力, 由电动机拖动旋转。它能及时抽出蒸发器内蒸气, 维持低温低压;通过压缩作用提高制冷剂蒸气的压力和温度, 提供将制冷剂蒸气的热量向外界环境介质转移的条件。即将低温低压制冷剂蒸气压缩至高温高压状态, 以便用常温的空气或水作冷却介质来冷凝制冷剂蒸气。
来自蒸发器的低温低压的冷媒气体被压缩机压缩成高温高压的气体进入冷凝器。
活塞压缩机:压缩机工作时, 驱动机(电动机)通过联轴器—带动曲轴旋转, 再通过曲柄连杆机构将曲轴的旋转运动变成十字头的往复运动;十字头带动活塞杆, 使活塞在气缸内作往复运动。
旋转压缩机:利用滑块把气缸分成吸气和排气两个空间, 通电时定子线圈产生电磁场, 转子切割磁力线产生动力带动曲轴旋转而使活塞在气缸内回转;在偏心曲轴的作用下不断改变吸、 排气室的体积大小, 吸入的低温低压气态冷媒被压缩成高温高压气态冷媒排出, 如此循环。
涡旋式压缩机:主要运动件动为涡盘, 与静涡盘只有磨合没有磨损,因而寿命更长, 被誉为免维修压缩机。涡旋式压缩机运行平稳、 振动小。涡旋式压缩机结构简单、零件少、效率高、可靠性好、尤其是低噪声、 长寿命等。
2、冷凝器
冷凝器将压缩机排出的高温高压的制冷剂过热蒸汽冷却成液体制冷剂。冷凝器放出的热量由冷却介质(水或空气) 带走。
三种类型冷却方式:
水冷式、 空气冷却式、 水和空气混合冷却式。冷凝器器大多采用翅片盘管式结构, 为提高换热效率常将铝合金翅片压成各种形状, 以增加换热面积。
水冷式冷凝器:冷凝器中制冷剂放出的热量被冷却水带走。冷却水可以一次流过, 也可以循环使用。当循环使用时, 需设置冷却塔或冷却水池。水冷式冷凝器分为壳管式、 套管式、 板式、 螺旋板式等几种类型。
风冷式冷凝器:通常空气冷却式冷凝器也叫风冷式冷凝器。空气在冷凝器管外流动, 冷凝器中制冷剂放出的热量被空气带走, 制冷剂在管内冷凝。这类冷凝器中有自然对流空气冷却式冷凝器和强制对流空气冷却式冷凝器。
混合冷却式冷凝器:冷凝器中制冷剂放出的热量同时由冷却水和空气带走, 冷却水在管外喷淋蒸发时, 吸收气化潜热, 使管内制冷剂冷却和冷凝。因此耗水量少。这类冷凝器中有淋水式冷凝器和蒸发式冷凝器两种类型。
3、节流器
节流器是制冷系统中用于调节制冷剂流量的部件, 也叫膨胀阀。
作用:将从冷凝器出来的中温高压液体制冷剂节流降压, 使其变成低压低温湿蒸汽下,以便其在蒸发器中汽化吸热。在空调制冷系统中, 制冷剂需要保持一定的蒸发压力和冷凝压力, 以便吸收和放出热量,实现循环制冷。依靠节流器来控制制冷剂保持一定的流量。
当制冷剂流体通过一小孔时, 一部分静压力转变为动压力,流速急剧增大, 成为湍流流动, 流体发生扰动, 摩擦阻力增加, 静压下降, 使流体达到降压调节流量的目的。节流是压缩式制冷循环不可缺少的四个主要过程之一。
节流机构的作用:
一是对从冷凝器中出来的高压液体制冷剂进行节流降压为蒸发压力;
二是根据系统负荷变化, 调整进入蒸发器的制冷剂液体的流量。
热力膨胀阀按传力零件的结构可分为薄膜式和波纹管式两类;根据膜片下部的气体压力不同可分为内平衡式热力膨胀阀和外平衡式热力膨胀阀。
内平衡式热力膨胀阀:是利用波纹管的变形,通过顶杆带动阀针上下移动, 使阀门的开度增大或减小, 从而调节制冷剂的流量。
外平衡式热力膨胀阀:其不同之处是金属膜片下部空间与膨胀阀出口互不相通, 而是在蒸发器出口端至阀的膜片下侧连接了一根外平衡管, 其平衡压力取自蒸发器出口处, 可以补偿由于蒸发器流程长而引起的过度压力降, 以减少过热度, 保证蒸发器的有效面积和制冷效果。
电子膨胀阀:
变频式空调器制冷系统中, 其节流装置采用了微处理器控制的速动型电子膨胀阀。电子膨胀阀可分为电磁式和电动式两类。
优点:精确、 高速、 大幅度调节负荷。电子膨胀阀主要由步进电机和针形阀组成。针形阀由阀杆、阀针和节流孔组成, 阀体中与阀杆接触处有内螺纹。电机直接驱动转轴, 改变针形阀开度,实现流量调节。
4、蒸发器
蒸发器是制冷系统中的另一种换热器。对制冷系统而言, 它是从系统外吸热的换热器。作用是利用液态制冷剂在低压下沸腾, 转变为蒸气并吸收被冷却物体或介质的热量, 达到制冷目的。蒸发器是制冷系统中制取冷量和输出冷量的设备。
室内的温度较高,空气流过蒸发器时冷媒蒸发带走空气中的热量, 空气温度降低成为冷空气。空气被冷却时,空气中会有凝水→通过排水器排走。
由于蒸发器的翅片间会不断产生冷凝水,阻碍空气的流动, 所以蒸发器的片距比起冷凝器要大些, 此外蒸发器翅片的表面还要进行亲水处理, 以降低冷凝水的表面张力, 从而是空气气流通截面积增大。
电磁四通换向阀
用于热泵型空调器的部件。空调器在冬季作制热运行时, 室内侧热交换器作为冷凝器工作, 而室外侧热交换器作为蒸发器工作,这正好与空调器夏季制冷时相反, 这就要求制冷剂流动方向也要相反。通过换向电磁阀控制制冷剂反向流与毛细管组合成特别的通路来适应冬季、 夏两种差异的运行工况。
双向电磁阀
双向电磁阀是用于制冷系统中执行“通断” 操作的自控阀,可以控制制冷剂的流量和流向。双向电磁阀有两种, 一种是两个端口在同一方向上的通用电磁阀, 另一种是两个端口互相垂直的专用旁通电磁阀。
分体式空调器室外
机组的气管和液管的连接口上通常各连接一个截止阀。截止阀是一种管路关闭阀,以手动控制启闭阀芯来控制流动介质的通过与截止。截止阀按结构可分为二通截止阀和三通截止阀。
单向阀
在制冷系统中, 单向阀的作用是只允许制冷剂单方向流动, 装在管路中防止制冷剂气体或液体倒流, 故又称止逆阀。单向阀又可分为球形阀和针形阀 。
干燥过滤器的作用是吸收制冷系统中的水分, 阻挡系统中的杂质使其不能通过, 防止制冷系统管路发生冰堵和脏堵。系统最容易堵塞的部位是毛细管(或膨胀阀) , 因此干燥过滤器通常安装在冷凝器与毛细管(或膨胀阀) 之间。
气液分离器
为了 防止液态制冷剂进入压缩机引起液击, 空调器间安装有气液分离器。作用是使气态制冷剂与液态制冷剂分离。
轴流风扇
轴流风扇的作用是冷却冷凝器, 一般装在室外看, 可将冷凝器中散发的热量强制吹向室外。特点是效率高、 产风量大、 造价低, 省电缺点是风压较低, 噪声较大
离心风扇
离心风扇装在窗式空调器室内侧和分体式柜式空调器室内机组中, 起作用是将室内的空气吸入, 经蒸发器冷却, 再由离心风扇叶轮压缩后, 提高压力并沿风道送向室内。特点是结构紧凑, 尺寸小、 风量大、 噪声
贯流风扇
贯流风扇通常应用在分体壁挂式空调器室内机组中。叶片采用向前倾斜式, 气流沿叶轮径向流入, 贯穿叶轮内部, 然后沿径向从另一端排出。
美的变频空调故障维修课件培训
第一部分 美的变频空调故障代码种类汇总
一、室内机显示板可显示故障
(一)柜机故障显示一览表
(二)挂机故障显示一览表
二、变频维修小板可显示故障
(一)变频维修小板可显示故障一览表
(二)变频维修小板可查询的各类保护一览表
第二部分 美的变频空调常见故障维修
一、 E0(室内机EEPROM参数故障)
1、故障现象:室内显示板显示E0(室内机EEPROM参数故障)
2、故障范围:室内电控板
3、排查步骤:室内电控板故障,更换室内电控板;
二、 E1(室内温度传感器故障)
1、故障现象:柜机显示E1、挂机显示E6
2、室内电控板、室内温度传感器
3、排查步骤:
第一步:检查室内温度传感器接插是否良好,传感器线组和主板连接中间线组是否有破损及断裂;
第二步:换上一个良好的温度传感器(若无现成的传感器,则跳过此步操作,直接按第三步操作),若故障现象取消,则确定传感器故障,更换传感器;若故障现象不能取消,则确定室内电控故障,更换室内电控;
第三步:确定传感器接插没问题后,把室内环境温度传感器插头拔下,使其温度接近环境温度,用万用表量传感器的电阻值;
第四步:大概估算此时室内温度情况,反查对应的温度表电阻值;(注:当室温为25度时,传感器阻值对应为10K,温度升高,传感器阻值减小,温度降低,阻值增大),若温度对应电阻阻值偏离很大(温度阻值偏差在5度以上),则传感器故障,更换室内温度传感器;若温度对应电阻阻值偏差很小(温度阻值偏差在5度以下),则电控故障,更换室内电控;
三、 E2(室内蒸发器温度传感器故障)
1、故障现象:柜机显示E2
2、故障范围:室内电控、室内蒸发器温度传感器
3、排查步骤:参考E1故障的排查步骤进行排查;
四、E3(室外机温度传感器或EEPROM故障)
1、故障现象:柜机显示E3、挂机显示E5
2、故障范围:室外电控、室外温度传感器
3、排查步骤:
第一步:接上变频维修检测仪,观察小板显示的故障:若显示E51(室外机EEPROM故障):更换室外电控;
第二步:若变频维修检测仪显示传感器故障,则按照以下代码锁定范围:
E52(室外盘管T3温度传感器故障):反查对应的温度表电阻值
E53(室外环境T4温度传感器故障):反查对应的温度表电阻值
E54(室外排气温度传感器故障):反查对应的温度表电阻值)
E55(室外回气温度传感器故障):反查对应的温度表电阻值
第三步:锁定故障范围后,可参考E1故障的排查步骤进行排查;
五、E5(主控板与显示按键板通信故障)
1、故障现象:柜机室内显示板显示E5
2、故障范围:室内电控、显示电控
3、排查步骤:
方法1: 带上一个正常工作的变频柜机显示板,不分机型,接上室内电控;若故障消失,则确定原显示电控故障,更换显示电控;若故障不消失,则确定室内电控故障,更换室内电控;
方法2: 同理,带上一个正常工作的变频柜机室内电控,不分机型,接上电
源及全部负载以及显示板:若E5故障消失(注:由于室内电控可能存在搭配上的问题,只要不显示E5故障即可判断),则确定原室内电控故障,更换室内电控;若E5故障不消失,则确认显示电控故障,更换显示电控;
方法3: 如果没有条件带显示电控或室内电控,则按以下步骤进行检测:
第一步:观察显示连接线组是否有破损,如有破损可以直接更换显示电控或手工连接完好;
第二步:检查室内主控板元件是否有虚焊、短路或元器件损坏、烧毁的情况;
第三步:若条件允许的情况下,将T1(室内温度传感器)放置于冷水下(水温必须低于20℃),然后上电,用万用表测量连接室外机电源的接线端子L出,N出是否有市电输出,若无市电输出,则确定室内电控故障,更换室内电控;若有市电输出,则继续往下;
第四步:检查显示板电路元件是否有虚焊、短路或元器件损坏、烧毁的情况;
六、E9(开关门故障)
1、故障现象:柜机室内显示板显示E9
2、故障范围:室内电控、开关门电机、光电开关、出风框部件
3、排查步骤:
第一步:手动将开关门扳至在半开、半关闭状态,则用万用表交流档测量以下电压:
重新上电但别开机,观察此时开关门是否有关闭的动作,如果没有关闭动作,测量1脚(黄色)-3脚(红色)之间的交流电压是否有220V(如下图),若有220V市电输出且无关闭动作,则确定电机故障,更换电机;
第二步:若测量第一步,电控没有220V驱动信号输出,则测量电控主板上光电开
关反馈,测量以下电压:(若有现成的光电开关组件,则跳过此步操作)
(1)测量电控板上反馈插座第2脚(白色)-第3脚(棕色)之间电压是否有5V直流 电压,若无此电压,确定室内电控故障,更换室内电控;
(2)将开关门至于一半开、一半关的状态然后重新上电,看1脚(红色)与地,4脚(黄色)与地之间的电压是否能满足以上规律,若能满足电压,则确定室内电控故障,更坏室内电控;若不能满足电压,再检查以下:
①检查开关门光电开关是否被异物遮挡,若有异物,则清除后再上电尝试;
②检查开关门挡光板是否断裂,若断裂,则换出风框部件,若确定出风框挡光板无问题后,则确定光电开关故障,更坏光电开关;
第三步:若有现成良好的光电开关组件,则按照以下步骤排查:
(1)将开关门至于一半开、一半关的状态,接上自带的光电开关组件;
(2)确定光电开关组件上的光电传感器并无任何异物遮挡;
(3)重新上电,别开机,观察此时开关门是否有关闭的动作:若开关门无任何动作,则确定室内电控故障,更换室内电控;
(4)若开关门有关闭动作,则继续以下2步操作:
①开关门在关闭过程中,用手遮挡光电开关上open的光电传感器,开关门是否停止
关闭动作;
②开关门在打开过程中,用手遮挡光电开关上close的光电传感器,开关门是否停止
打开动作;
若以上操作不成立,则确定室内电控故障,更换室内电控;若以上操作成立,则确定故障范围在原光电开关,出风框挡光板;拆开出风框,检查挡光板是否损坏,若确定挡光板正常,则光电开关故障,更换光电开关;
七、室内外通信保护
室内外通信电路:
1、故障现象:柜机室内显示E8、挂机室内显示E1
2、故障范围:室内电控、室外电控、电抗器、室内外连接线组
排查步骤:
第一步:
检查电控盒到室内电源线接线端之间的连线是否全部正确连接,确定后上电开机制冷/制热,测量接线端子L出与N出之间交流电压,看是否有市电输出,(注:要在上电开机的2分钟内测试,如果在2分钟后测试会因为室内外电源主继电器断开而无电压输出)
在继电器闭合时,若无市电输出,则确定室内电控故障,更换室内电控;
第二步:
在确定室内机有市电输出,检查室外L,N,S接线是否正确,室内外连接线是否完好,测量室外接线端子L,N线是否有市电输入;
若室内外连接线完好及连接正确,但室外机无电压输入,则确定室内外连接线组故障,检查线体是否加长,加长点接触是否良好,或直接更换室内外连接线组;
第三步:在确保室外机有市电输入后,观察室外电控电源指示灯是否亮,若无任何指示灯亮,则按照以下步骤排查:
1)检查室外机接线座到室外电控的接线,室外电控盒内的连接线,电抗器、PFC电感是否接插完好,若接插有问题,则接插完好后再开机尝试;
2)检查电抗器,PFC电感线圈是否良好,导通电阻应为10Ω以下;
3)若室外为直流风机,则拔开风机插座,再次上电尝试,若故障消失,则室外风机故障,更换电机;
若以上操作后,室外电源指示灯依然不亮或微亮,则确定室外电控故障,更换室外电控 。
第四步:若室外机指示灯是亮的,则是通信电路故障,则按照以下步骤测量:
第1:在整机不通电的情况下,使用万用表测量N-S之间电阻(注:测量N-S电阻,必须正反表笔交叉测量,否则影响测量结果的判断),正常电阻为无穷大。
如果电阻不为无穷大,则需断掉室内外连接线继续测量:
若室内N-S之间电阻不为无穷大,则确定室内电控故障;
若室外N-S之间电阻不为无穷大,则确定室外电控故障;
第2:在确定电阻正常后,整机上电,用万用表直流档测量N-S之间的电压:正常电压范围是在3-50V之间跳变(由于电压无规律的跳变,故测量电压时间必须大于1分钟,观察电压跳变范围);
若测量电压范围在0-5V之间跳变,则说明室内电控故障,需更换室内电控;
若测量电压范围在16-50V之间跳变,则说明室外电控故障,需更换室外电控;
八、风机失速
故障现象:柜机室内显示Eb,挂机室内显示E7,E3(风机失速)
故障范围:电控、风机、风叶
排查步骤:
首先确定哪个风机失速?什么风机?
内置驱动的直流风机故障:
识别:看插座,插座是5根线的,分别是:1脚(红色),3脚(黑色),4脚(白色),5脚(黄色),6脚(蓝色)
排查:
第一步:开机看风机是否能转,若风机一直高速狂转,直至室内报故障,则室内电控故障,直接换室内电控;
第二步:风机不转,或间歇性的转,则按以下步骤排查:
第1:上电开机,模式调为送风模式,为方便测试,将风速调为高风档,检查电压点:
测量工作电压:1脚(红色),4脚(白色)分别与3脚(黑色)地之间的电压是否满足上面表格电压,若不能满足,则室内电控故障,更换室内电控;
第2:在确定电源输入正常后,测量第5脚(黄色)驱动电压是否正常:
正常运转时:风机驱动电压大约在:2.7V-4.6V之间;
驱动电压是一个比较平稳的直流电压,且电压波动较小,若出现以下3个情况之一:
1)电控没有风机驱动电压或驱动电压小于2V;
2)驱动电压大于+6V;
3)驱动电压跳变、波动范围大于1V;
则确定风机驱动异常,室内电控故障,更换室内电控;
若驱动电压正常,风机仍不转或者间歇性的转,则检查内机风叶、风道是否正常,不正常则更换风叶、风道,否则可判定为风机故障,更换风机;
外置驱动的直流风机故障:
识别:插座只有3根线:分别是:1脚(蓝),2脚(黄),3脚(红),且无风机启动电容,无反馈。
排查:
第一步: 测量风机绕组阻值,正常时候阻值:47欧±10%/2相 (20℃情况下),若电阻值大于500欧,那确定风机损坏,更换直流风机;
第二步:若测量风机绕组阻值正常,则可以确定室外电控故障,更换电控。
PG调速电机失速:
识别:插座只有3个引脚:分别是:1脚(黄色、2根线)2脚(黑色)3脚(红色),且带单独反馈插座。主要机型是挂机内机,单/双灌流柜机。
第一步:上电开机,模式调为送风模式,为方便测试,将风速调为高风档,若此时风机不转,则检查以下电压点:
测量风机驱动:测量1脚与2脚之间的交流电压,是否满足上面表格的电压范围(注意把导风条、清洁滤网拆下,否则风道阻力可能会增大,驱动电压会偏高,影响判断),
若没有电压输出,则确定室内电控故障,更换室内电控;
第二步:当电控有风机驱动电压,但驱动电压大于上面表格的电压(约180V-213V之间),且风机不转时:
继续上电开机,模式调为送风模式,风速为高风档,此时风机依旧没有启动时,用手直接沿着风机转动的方向(注意:必须沿着风机转动的方向,否则无法启动)转动风轮,尝试几次,看风机能否带动起来(注意:必须在整机报故障之前完成操作,否则整机负载全部停止运行)。
若此操作,风机能带动起来,则确定室内电控风机启动电容故障,更换室内电控;若此操作,风机依旧不能启动,则确定风机损坏,更换风机;
第三步:上电开机,当风机开启后一直转动,然后停止,室内报风机失速故障时:测量以下风机反馈电压:
1)测量1脚与3脚之间是否有12V或5V电压,若没有,则室内电控故障,更换室内电控;
2)确定1脚与3脚之间电压正常后,在风机转动的时候,测量2脚与3脚之间是否反馈电压:
若反馈一直为静止电压:5.5V或0V,则确定风机故障,更换风机;
若反馈电压为运行电压:2.5-3V,则确定室内电控故障,更换室内电控;
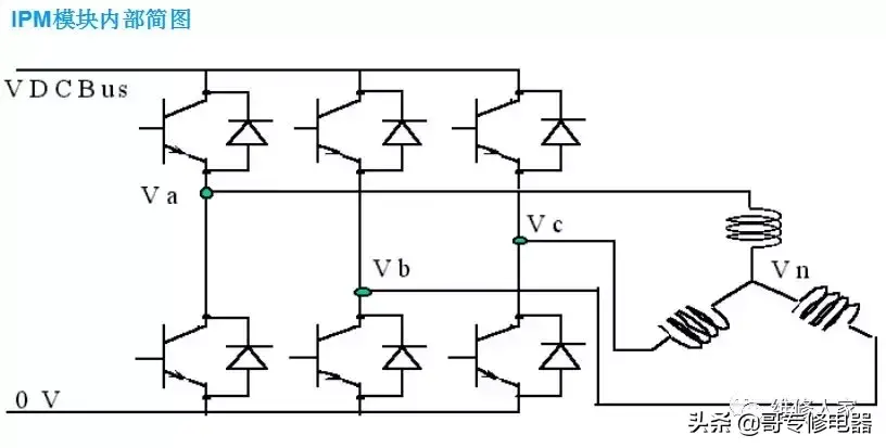
九、模块保护
故障现象:柜机室内显示板P0(IPM模块故障)
故障范围:室外电控、压缩机、压缩机连接线组
排查步骤:
第一步:
1.打开室外机顶盖,仔细检查室外电控压缩机驱动模块(电控板上最靠近压缩机连接线组蓝、红、黑的模块)及模块附近的电阻是否有炸裂、烧黑的痕迹,若发现有明显的烧坏、开裂的,则确定电控故障,更换室外电控;
2.检查电控和压缩机上U/V/W接线是否正确,确定接线无误后,断开压缩机与电控之间的连接线组,再测量压缩机U/V/W之间的电阻,正确的电阻值应该为0.5-2Ω。
若电阻值明显偏大,则拆开室外机,测试压缩机连接线组是否接插好,是否烧坏;确认连接线组没问题后,测量压缩机U/V/W之间的电阻,若电阻大于10Ω,则确定压缩机故障,更换压缩机;
第二步:
断开压缩机与模块之间的连接线组(注:必须确保压缩机与电控之间的连接线组断开,其他接线保持不变,否则测量没有意义),测量以下电阻:
测量电控板上U(蓝)、V(红)、W(黑)相互之间的电阻(注:万用表正负表笔,一共需要测量:UV、VU、UW、WU、VW、WV,6个组合的电阻),阻值范围约在:300KΩ-20MΩ之间,且组合之间(例如:UV的阻值与UW的阻值的差)的电阻值相差小于10%;
若出现以下2个情况之一,则确定室外电控故障,更换室外电控:
1)组合之间的电阻值相差大于100%(例如:UV的阻值为1MΩ,UW的阻值为2MΩ,则确定有故障);
2)测量UV、VU、UW、WU、VW、WV,6个组合电阻其中出现电阻小于50KΩ或大于30MΩ;
2.测量电控板上U(蓝)、V(红)、W(黑)分别与P(大点解电容的正极,IPM模块引脚处会有标注)之间的电阻,阻值范围在:200KΩ-20MΩ之间,测量的3组线电阻阻值差别不大,且组合之间(例如:UP的阻值与VP的阻值的差)的电阻值相差小于10%;
若出现以下2个情况之一,则确定室外电控故障,更换室外电控:
1)组合之间的电阻值相差大于100%(例如:UP的阻值为1MΩ,VP的阻值为2MΩ,则确定有故障);
2)测量电阻出现小于50KΩ或大于30MΩ;
测量电控板上U(蓝)、V(红)、W(黑)分别与N(大点解电容的负极,IPM模块引脚处会有标注)之间的电阻,阻值范围在:200KΩ-20MΩ之间,测量的3组线电阻阻值差别不大,且组合之间(例如:UN的阻值与VN的阻值的差)的电阻值相差小于10%;
若出现以下2个情况之一,则确定室外电控故障,更换室外电控:
1)组合之间的电阻值相差大于100%(例如:UN的阻值为1MΩ,VN的阻值为2MΩ,则确定有故障);
2)测量电阻出现小于50KΩ或大于30MΩ;
4.测量电控板上U+、V+、W+、U-、V-、W-,六路压缩机驱动分别与N之间的电阻(U+与N、V+与N、W+与N、U-与N、V-与N、W-与N),每组测量的数据电阻值相差小于10%;
测量六路驱动其中一路与地之间的电阻值与其他几路电阻值有明显差异, 阻值相差大于100%,则确定室外电控故障,更换室外电控。
例如:测量V+与N之间的电阻值为1MΩ,W+与N之间的阻值为2MΩ,则确定有故障;
第三步:在确定以上2步测量都没有问题后,然后上电开机,测量模块的工作电压:
模块的15V电源:PCB板底有标明,若找不到,则寻找室外电控板最接近变频模块的IN4749稳压二级管,测量稳压管2端的电压。
正常的电压应在15-18V之间。
若15V电源的电压小于12V或大于20V,则确定室外电控故障,更换室外电控;
第四步:若以上3步测量都没问题后,参考变频机性能维修手册,确认是否压缩机故障。
第三部分 美的变频空调常见保护
一、室内蒸发器高低温限频保护
1、故障现象: 变频检测仪检测显示L0(蒸发器高低温限频)
2、故障范围:蒸发器温度采样误差、风道不畅通、风机转速异常
3、排查步骤:
第一步:检查风道:
(1)检测过滤网是否积满灰尘,若积尘严重,则需清理;
(2)检测风道是否有杂物,不能有杂物遮掩风道,影响热交换;
第二步:确定室内风机转速是否异常的慢;
第三步:检查蒸发器温度传感器采样是否有误差;
第四步:参考变频机性能维修手册,确认系统是否故障;
第五步:如果以上操作后确认没有问题,则属于正常现象;
二、室外机冷凝器高低温限频保护
1、故障现象: 变频检测仪检测显示L1(冷凝器高温限频)
2、故障范围:冷凝器温度采样误差、风道不畅通、风机转速异常
3、排查步骤:
第一步:检查风道:
(1)检测冷凝器翅片是否积满灰尘,若积尘严重,则需清理;
(2)检测风道是否有杂物,不能有杂物遮掩风道,影响热交换;
第二步:确定室外风机转速是否异常的慢;
第三步:检查冷凝器温度传感器采样是否有误差;
第四步:参考变频机性能维修手册,确认系统是否故障;
第五步:如果以上操作后确认没有问题,则属于正常现象;
三、室外压缩机排气高温限频保护
1、故障现象: 变频检测仪检测显示L2(压缩机排气高温限频)
2、故障范围:排气温度采样误差、缺冷媒
3、排查步骤:
排查步骤:
第一步:确定是否为传感器故障或对应的电控板故障;
第二步:参考变频机性能维修手册,确定整机系统是否故障或缺冷媒;
四、整机过流限频保护
1、故障现象: 变频检测仪检测显示L3(电流限频)
2、故障范围:室外电控、系统压力
3、排查步骤:
排查步骤:
第一步:确定室外电控电流采样是否正常;
第二步:注意观察报L3电流限频保护的同时,是否也同时报L0或L1保护,
若出现,则参考L0或L1的排查步骤进行排查;
第三步:整机是否工作在恶劣的工作环境下高频运转,若是,则属于正常情况;
五、整机电压限频保护
1、故障现象: 变频检测仪检测显示L5(电压限频)
2、故障范围:室外电控、电源输入电压
3、排查步骤:
第一步:确认电控是有源,还是无源方案;
第二步:
有源方案:测量交流电压采样是否正确。
接上变频检测小板,上电开机,室外机上电后,用万用表测量室外机L,N输入,同时观察变频检测小板的交流电压采样值(电压采样值选择代号:“AC-Td”),对比实际电压与变频检测小板采样值,若对比的电压值偏差大于20V,则室外电控故障,更换室外电控;
无源方案:测量母线电压与采样是否正确。
用万用表测量直流母线电压(P,N之间的电压/大点解电容的正负极电压),同时观察变频检测小板的直流母线电压采样的值(电压采样值选择代号:“Ir341” ),对比实际电压与变频检测小板采样值,若对比的电压值偏差大于20V,则室外电控故障,更换室外电控;
第三步:核对功能规格书,确认输入电压是否过低而保护。
相关问答
杭州市职业技能 培训 职业工种有哪些? - 玩世不恭summer 的回...汽车维修轮胎工、汽车维修漆工、制冷工、锅炉操作工、计算机程序设计员、计算机网络管理员、可编程序控制系统设计师、智能楼宇管理师、创业咨询师...
杭州市职业技能 培训 职业工种有哪些? - 186****9061 的回答 -...焊工、加工中心操作工、数控车工、车工、铣工、机修钳工、工具钳工、装配钳工、西式烹调师、数控铣工、铸造工、中式烹调师、数控机床装调维修工、...
80后、90后创业的越来越多,2019生意越来越难做,2020该何去何从?现在比较好赚钱的只有新能源行业了,每天千把块固定收入,国家近几年大力发展新能源汽车,也正式开放了社会资金参与新能源产业,共享充电桩由国家新能源补贴和企...
家庭经济好了,但子女们都不懂勤俭持家,怎么办?现在生活条件好了,孩子们却养成了奢侈、浪费的习惯。作为家长就要有针对性地教育自己的孩子了。如果孩子是在花钱上不节俭,作为家长要控制孩子零花钱了,什么东...
柜式 空调 拆掉什么零件可以把温度降到12度以下?了解下空调主要部件空调器整机电路构成1、空调电路空调电路结构大致可分为空调电气电路和空调电子电路两大部分。空调电气电路是指电路板外接电路为主体的强...
民航飞行员怎么 培训 ?民航飞行员的培训,就是已经进入民航飞行院校的培训,这是一个很紧张,自己需要要很努力的一个培训过程。咱们就来具体聊一聊都要培训什么内容。第一:基础知识...
汽油版、插电混动版、纯电动版,现在买车买哪种好呢?大多数人还是会向你推荐汽油车,那是因为大多数人不了解新能源。首选插电式混动车本人就是插混车主,如果不是买了插混的唐,受现在媒体宣传影响,可能我也会觉...
swf视频文件只有声音没有画面是为什么,怎么办-ZOL问答部8条讨论精品应用推荐新浪微博天气通淘宝特价版UC浏览器相关问题家电...空调开多久需要休息多长时间3758浏览4回答拼多多帮他人助力会不会有风险5...
小米四怎么刷机教程如果显示安装更新失败更新文件已损坏怎么...如何用小米米家控制家中的格力空调?2882浏览5回答PPT里把复制的文字黏贴进去有白色背景,肿么去掉啊??5761浏览6回答小米手机关机后出现一只米兔修着an...
注册暖通工程师学习资料?注册暖通工程师是指取得《中华人民共和国注册公用设备工程师执业资格证书》和《中华人民共和国注册公用设备工程师执业资格注册证书》,从事公用设备(暖通空调...
相关文章

最新评论