空调常见多发故障的分析与排除
一、室内贯流叶轮损坏
分体式空调器室内贯流风叶由ABS塑料或尼龙注塑成型。制造时,先注塑一节叶轮,其形状就像一个整体式离心风轮。厂家采用超声波焊接法.把多节叶轮按室内机长度的大小逐一焊接起来.一般为8-11节.组成了一个细长的贯流叶轮。叶轮上的叶片间距离不等。叶片相对于叶轮中心不呈对称排列,并且叶片数为单数。
空调器工怍时,室内电机带动贯流叶轮旋转.冷空气从叶轮边缘的一侧进入筒内,又从另一侧排出,形成连续的流动空气。
1.风机轴碗损坏
贯流叶轮由电机带动,如果二端轴碗润滑油磨干或损坏,运转时,发出吱吱声。故障排除的方法是:
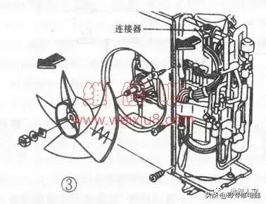
(1)先拧下左、右两侧固定螺钉,卸下右侧电器盒(见图1)。把电机和叶轮一起卸下。
(2)再用大姆指压出轴碗,拿出风轮轴碗(见图2)。
检查轴碗润滑油干涸,可先用煤油清洗轴碗,再抹上高速黄油。若检查轴碗磨损严重或损坏=,必须更换新的。组装时,按拆卸叶轮的反顺序组装。
2.叶轮片裂损
叶轮片裂损或断裂,风机叶轮噪声会加大。把叶轮卸下,洗净断裂处。对尼龙制叶轮可用塑料补焊。将洗涤灵空瓶剪成0.5cm宽的长条。把风叶断裂处用电烙铁烫化,剪成的塑料条当焊料.进行塑焊。焊好后待自然冷却,用铁锉或砂纸将叶片打磨平整,叶轮即完好如初。
3.叶轮与电机不同心
固定叶轮的一端螺丝松动,造成贯流叶轮与电机不同心,使风机不运转。空调维修初学者不要急于通电试机,用手轻轻拨动,听叶轮转动是否有碰擦声。这样能很快找到故障原因。确定叶轮无碰擦后,再通电试机。
4.风叶轮打滑
叶轮打滑,使风机吹不出风来。故障原因多数是风叶紧固螺钉松动,脱离了电机轴的半圆而造成风叶轮打滑,使叶轮不随轴转动。用改锥对准电机轴的半圆面,将紧固螺钉拧紧,即可排除风叶轮打滑故障。
5.手感风基小。抖动厉害
风量小的原因一般是叶片灰尘太多或有杂物进入。用刷子清洗叶片灰尘,风量小故障即可排除。叶片抖动原因是左侧叶轮轴裂损。用砂纸将裂损处打磨干净。用c31型A、B胶按1:1比例在硬纸板上拌匀,涂在裂损处。待2个小时后组装复原。
二、室外通风系统故障
1.室外轴流风机损坏
室外机风机损坏,使冷凝器不能散热,造成压缩机过热,引发保护压缩机的过热过流保护器跳开。
拆下送风格栅4个螺钉。用扳手卸下固定扇叶螺钉及垫板(见图3)。
更换风机后,先试机运转,若风叶反转,说明电机线和电容器插件接反。风叶运转方向应以风叶上标注的运转箭头指示方向为准。若无箭头标识,维修人员可以通过观察叶轮扭转角朝向确定其转向。
手放在风叶轮格栅外侧。风叶反转时,风量小.风叶正转时风量大。
2.室外轴流扇叶损坏
室外机风机扇叶一般为3~5叶,形状象螺旋浆。电机运转时,带动扇叶沿轴线方向产生气流。扇叶损坏,室外机会发出咚咚的噪声。修理时,可用电钻在扇叶损坏处两侧打直径1mm的小孔,用铜丝将扇叶固定。然后用c31型A、B胶按1:1分量配制.涂抹在损坏处。涂胶的地方用100w灯泡烘烤30分钟。2个小时后即可复原使用。
若风机扇叶运转良好,冷凝器却非常热,应检查冷凝器是否过脏。清洁冷凝器的方法:一是用气体吹洗,气压不得高于0.02MPa,否则会把翅片吹倒。二是用水冲洗,注意不得把水溅到电器部件上。
三、单向阀的故障排除
单向阀用于热泵型空调器上,它的结构如图4所示。空凋器制冷运行时,制冷剂将阀内钢珠顶开,使管路畅通。旁通的制热毛细管不起作用,处于短路状态。当空调器制热时,制冷剂流动方向相反,将钢珠紧压在阀座上。这时阀内通路封闭,以防止制冷剂从单向阀倒流。压缩机回气管路上单向阀的作用也是阻止制冷剂倒流。
单向阀堵塞使制冷剂不能循环流通,造成制冷功能下降。
例如一台KFR-32GW分体式空调器制冷差,用压力表在低压气体加气阀试压0.3MPa,F22制冷剂加到0.45MPa,压缩机噪声加大。更换过滤器。经过焊接、试压、抽空、加F22制冷剂。通电试机,蒸发器2/3不凉。放掉制冷剂,用气焊焊下单向阀并用割刀断开,发现里面油污物较多。更换单向阀后,经过试压、检漏、抽空,加F22制冷剂。通电试机,空调器恢复制冷。
此故障说明制冷系统的脏物,不但会堵在过滤器网处,而且还会使单向阀堵塞。维修人员在判断过滤器有故障后,同时还需要用强启法让压缩机运转,用手的大姆指堵单向阀出口。正常时,出口气压力大,堵不住,否则单向阀有故障。
四、限压阀的故障排除
限压阈是一种压力安全自动阀,主要用于2P以上空调器冷暖系统中。限压阀结构如图5昕示,它的一端接压缩机排气端,另一端接压缩机吸气端。
限压阀工作原理是:当冷疑压力上升时,弹性膜片克服弹簧压力向上运动,将阔球打开,高压制冷剂由旁通管路进入压缩机低压端。当冷凝压力下降时,弹性膜片向下运动,将球阀关闭。其目的将制冷系统冷疑器压力控制在规定的压力。
制冷系统混入水份后,会使限压阀弹簧锈蚀,造成弹簧不能自动调节压力。
例如,一台分体式空调器早、晚制冷良好,中午制冷效果差。测量电压正常。检查冷凝器并用气体吹冼,制冷量差没有改变。手摸限压阀体没有温度变化。初步认定限压阀在中午天气闷热压力较高时,不能自动调节压力。把限压阀更换后,通电试机验证,中午制冷效果差故障排除。
这份空调维修“宝典”请拿走,很多窍门首次披露……
立秋已过,但申城高温天气依旧,家家户户还是离不开空调。今年夏天,上海家电维修服务市场相对平稳有序,据上海电子产品维修服务行业协会统计,入夏以来,上海空调维修量约为26万单,比去年同期下降3%左右,空调清洗31.5万单,约72万台,比去年同期增加7%。上海8000多名空调服务人员全员上岗,基本上能够在24小时之内上门,及时满足市民的服务需求。
962512上海家电服务热线专家告诉解放日报·上观新闻记者,上海空调维修量略有下降,主要是因为今年夏天上海超高温天气不多,空调使用频率比往年低,造成故障频率也相对低一点。再者,如今空调新机价格亲民,市民发现超期使用的空调一旦坏了,更换主要配件的价格会比较高,维修性价比很低,因此往往会选择买新的,而不是修旧。而空调清洗量上升,则与疫情发生以来上海市民健康保护意识的加强有关。
今年夏天,申城消费者空调清洗量明显上升。
他还介绍,在目前疫情防控要求比较严格的情况下,消费者不妨掌握一定的自检窍门,来减少服务人员上门。
第一步,可先检查一下空调遥控器电池是不是还能用 ,有时候空调遥控器电池没电是很多人会忽略的;第二步,将空调内机过滤网清洗一下 ,积灰也会影响使用效果;第三步看看外机是不是有垃圾堵住; 第四步,提高设定启动温度,待空调运作后再慢慢降低温度。 如果还是有问题再报修。
消费者倘若要报修,则务必了解以下几点:
一是通过官方渠道寻找正确的品牌厂家服务电话。 市民可以通过12345市民热线、上海发布、上海市商务委员会官网、12315消费者保护热线、962512上海家电服务热线等官方渠道查询到最新的品牌厂家服务电话,或者直接拨打962512家电服务热线咨询,切勿随意在网上或信箱小广告上找不靠谱的维修单位维修。
二是对上门服务人员,须查验核对他的“上海市家电维修统一上门服务证” 。可以在962512家电服务热线官网或电话核查比对,如有问题可以拒绝服务,以免上当受骗。目前正规服务企业上门人员中已经有90%以上的人员持有统一上门服务证。
上海市家电安装维修人员上门服务证。
三是消费者对维修价格要做到心里有底。 一般挂机柜机空调不制冷的常见故障是电容器坏了和制冷循环系统漏液,除去上门费50至80元之后,更换电容器不会超过300元,加液一般最多2个单位,根据匹数大小不同。选用R22(R22是氟利昂家族的一员,属于氢氯氟烃类),价格200至350元之间,选用R410A(一种新型环保制冷剂,不破坏臭氧层,工作压力为普通R22空调的1.6倍左右,制冷/暖效率高),价格在300至500元(5匹机除外)。
假如维修人员提出需要更换压缩机,消费者应当根据自己空调使用年限理性决定,国家规定空调安全使用年限为10年,超过这个年限修理的价值就不大了。
四是为提高空调使用效果,延长使用寿命,建议每年可让专业清洗人员进行一次专业清洗。
栏目主编:吴卫群 文字编辑:吴卫群 题图来源:图虫创意 图片编辑:邵竞
来源:作者:吴卫群
相关问答
家里电器 维修 你有没有遇到过令人难以忍受的经历?分享一下?第二日,空调又不制冷了,反而还制热,室外35度,室内得有40多度,全家人都想出去避暑去。随即又叫师傅来查看,原来是奶奶遥控器摁错了,给摁到制热....随即叫师...
常见三菱 空调 故障 维修 方法有哪些?_住范儿家装官网三菱空调故障代码对照表:1.室内机组:正常工作时其指示灯亮,如果灯不亮,机组故障原因可能是电源保险熔断,压缩机电机或风扇电机损坏等。2.室外机组...
空调维修 项目都有哪些?一:经常检查空调器电器插头和插座的接触是否良好,若发现异常,应根据情况采取相应解决措施。二:水系统要注意管路连接处是否漏水。若是多联机系统和风管机系...
空调 跳闸的原因和处理方法?原因分析1、要保证电压是正常的,换一个新的漏电开关,如果还不成的话,就是空调有短路的地方了,要仔细的检查了。2、2、首先检查你的漏电保护器是否正...
为什么 家电维修 每年换的 空调 电容都坏?1、首先是大房间用小功率的空调。这种情况空调会不停的工作。因为小空调很难达到温控要求,而没有到达你设定的室内温度空调就得继续工作运转,空调机器在高温下...
学习 家电维修空调 维修需要多久毕业,略懂一点?学空调的话,看是全日制,还是晚上上课的类型。全日制的最快可能一个月的都有,非全日的近半年左右。还要看是简单型还是复杂型,复杂型还分初级班、中级班、高级...
空调维修 有收据可以吗 - 懂得有收据可以。维修空调只是维修服务,大多数时候在维修完成后付款的时候,维修工或维修商开具的只是收据。只要收据上写明白了收费事项,时间以及当事人...
怎样 维修空调 传感器短路或开路?空调传感器短路或开路的维修方法如下:1.首先,关闭空调电源。在进行任何维修之前,请确保关闭空调的电源,以防止触电和设备损坏。2.识别传感器位置。传感器...
空调 失控一会开一会关解决的方法?步骤可能如下:1、设置了自然风模式,这是比较有规律的启动与停止运行状态;可以更换其他模式,看是否空调不会再出现自动开关的现象2、使用的是变频空调,变频...
空调 不通电的原因及解决方法?1、空调插座问题或者线路问题如果空调是插在插排上的,可以试着检查下插排是否坏了,或者出现漏电保护了,可以用其他电器来测试下插排是否有电或者可以用万...
