家电维修吹风机安装 学修电吹风~电吹风的整机结构及电路原理图
学修电吹风~电吹风的整机结构及电路原理图
电吹风主要用于吹干头发与整定发型,也可用做局部烘干与加热用,是现代家庭常用的一种小家用电器。它具有体积小、质量轻、操作方便等优点。因为它能够输出热风,所以电吹风是一种电热、电动相结合的小家用电器。
一、电吹风的外形结构
下图所示的是典型电吹风的外形结构,它有手柄折叠式和手柄直立式两种外形。从图中来看,这两种的外形的电吹风大致相同,都是由壳体、手柄、操作开关和电源线等组成。
1. 手柄
折叠式手柄方便用户携带,功率较大的电吹风一般采用直立式手柄。为方便用户操作, 在手柄上安装了开关。手柄如图所示。
2. 操作开关
在电吹风的手柄上安装了功能操作开关,其功能是对电吹风的开关操作、风速度调节; 温度调节开关可调节电吹风吹风的温度。功能操作开关如图所示。
3、导风口和进风过滤网
导风口是直接安装在壳体出风口处,它的导风口呈扁平状,可以集风,并让风往直线方向吹。进风过滤网的作用是防止风中的杂物进入内部把电动机损坏。导风口和进风过滤网如图所示。
二、电吹风的内部结构
电吹风结构主要由功能操作开关、温度调节开关、电热丝总成,以及电动机和风叶等组成。下图所示的是电吹风的内部整机实物图。
1.功能操作开关
功能操作开关实际上是一个单刀三位按钮开关,它可以完成电吹风的停止和风速的调节。当开关按到“0”位置时,表示停止工作;当按到“1”位置时,表示低风速挡;当按 到“2”位置时,表示高风速挡。功能操作开关如图所示。
2.温度调节开关
有些电吹风单独设置温度调节开关,实际上它是个常闭按钮开关。不按此开关时,它是闭合的,电吹风吹出热风;当按下此开关时,它是断开的,电吹风吹出温热风。温度调节开关如图。
3.电热丝总成
电吹风的电热丝总成是用电热丝在云母片上绕制而成的,装在电吹风的壳体圆筒中,电动机排出的风在壳体圆筒中被电热丝加热,变成热风送岀。一般内部有两组电热丝绕组云母片上,方便电路进行温风和热风的调节。电热丝总成如图所示。
4.电动机和风叶
电吹风的电动机大部分采用永磁式直流小电动机,内部电路需降压整流装置。电动机装 在壳体内,风叶装在电动机的轴端上C电动机旋转时,由进风口吸入空气,由出风口吹岀风。电动机和风叶如图所示。
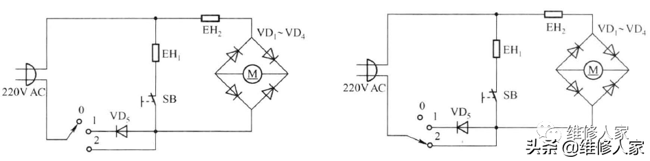
三、电吹风的电路工作原理图
1.高风速工作原理
如下图所示,当功能开关按到“2”位置时,电热丝EH1获得交流220V电源电压而发热;另外,交流220V电压经电热丝EH2降压,再加到由二极管VD1~ VD4构成的桥式整流电路两端,交流电经桥式整流后,变成脉动的直流电,为电动机供电,此时电动机带动风叶高速转动,将空气从进风口吸入,经电热元件加热,形成强热风后从出风口吹出。当功能开关按到“0”位置时,电吹风内部电路因断电而停止工作。
2.低风速工作原理
如下图所示,当功能开关按到“1”的位置时,交流220V的电源电压经二极管VR 整流后,输出约99V的脉动电压。该电压经温度调节开关供电热丝EH1发热;该电压同时 也加到由二极管VD1 -VD4构成的桥式整流电路两端,经电热丝EH2降压后,再由桥式整流 电路为电动机供电,此时电动机带动风叶低速转动,将空气从进风口吸入,经电热元件加热,形成低热风后从出风口吹出。当功能开关按到“0”位置时,电吹风内部电路因断电而停止工作。
3.温度调节工作原理
如图所示,由于温度调节开关SB和电热丝串联,另外调节开关SB又是常闭按 钮,所以当电吹风在工作时,只要用户按下温度调节开关SB,常闭开关断开,电热丝EH1由于断电不发热,整个电路只有EH2发出较低的热量,所以电吹风吹出温热风。当用户松开按钮SB时,电热丝EH1又开始通电发热,电吹风吹出热风。
壁挂式电吹风安装步骤 学会自己装
电吹风是现代家居中常用的一类个人生活小家电产品,其主要是用来干发的作用,一般电吹风的形式主要有手持式以及壁挂式,而为了使用的方便,人们一般喜欢在家居中安装壁挂式电吹风,如何安装壁挂式电吹风呢?在安装过程中需要注意些什么事项呢?
安装壁挂式电吹风之:明线安装
1、按螺丝尺寸在安装位置钻2-¢6安装孔,并用随机附送的胶塞塞入,将安装螺丝将挂钩紧固在上面的孔。
2、将壁挂式电吹风后壳后面的安装卡口对准挂钩插入,并用随机附送的螺丝将前、后壳一起固定在墙上,然后把螺丝胶塞塞入螺丝孔位。
3、插上电源,将电源总开关拔在“ON”位置即可。
安装壁挂式电吹风之:暗线安装
1、按尺寸在安装位置钻2-¢6安装孔,并用随机附送的胶塞塞入,将安装螺丝将挂钩紧固在上面的孔。
2、先把紧固在前壳的螺丝松开,然后把前壳移开,将原来带插头的电源线从接线端子除下。
3、把壁挂式电吹风进线孔的塑料打开,将预留的电源从进线孔穿过,然后将后壳后面的安装卡口对准挂钩插入,并用随机附送的螺丝将后壳固定在墙上。
4、预留电源线接在原电源线端子上,(接线时要注意N、L线的方向),接好后将端子放好在原来位置。
5、检查无误后,将前壳安装在后壳上然后用螺丝固定,插上电源,将电源总开关拔在“ON”位置即可。
小牛装修总结: 无论是采用明线安装还是暗线安装,为了壁挂式电吹风的使用安全以及使用舒适度,小编建议你在安装过程中一定要按照安装标准进行安装,此外还要在安装过程中确定好壁挂式电吹风的固定高度。
欢迎订阅关注【小牛装修】微信公众号:zxsf360 微信上点击添加朋友:zxsf360 即可关注
相关问答
请问电吹风 维修 麻烦吗,谁会 维修 啊?_齐家装修问答电吹风应该是每个家庭都有的小家电,特别是女士们,它给我们提供了不少方便,可能因为是小电器价格又不贵导致很多人即使电吹风坏了也就换新的了,其实...
吹风机 坏了怎样自己 维修 ?1、用螺丝刀卸下吹风机的螺丝。2、用螺丝刀沿着接口缝隙,将吹风机外壳打开。3、吹风机插头插入排插中,用万用表检测吹风机的2条线,发现未通电。4、用铁钳将...
吹风机 坏了怎样自己 维修 ?用螺丝刀卸下吹风机的螺丝。2、用螺丝刀沿着接口缝隙,将吹风机外壳打开。3、吹风机插头插入排插中,用万用表检测吹风机的2条线,发现未通电。4、用铁钳将...
吹风机 坏了怎么修?1、用螺丝刀卸下吹风机的螺丝。2、用螺丝刀沿着接口缝隙,将吹风机外壳打开。3、吹风机插头插入排插中,用万用表检测吹风机的2条线,发现未通电。4、用铁钳将...
施耐德 吹风机 怎么拆装?施耐德吹风机的拆装过程非常简单。首先,拔下电源插头,确保吹风机完全断电。然后用螺丝刀拆下吹风机表面的螺丝,小心地分离外壳和内部零部件。在拆装时要特别...
吹干机的正确 安装 方法?明线安装1、按螺丝尺寸在安装位置钻2-¢6安装孔,并用随机附送的胶塞塞入,将安装螺丝将挂钩紧固在上面的孔。2、将壁挂式电吹风后壳后面的安装卡口对准挂钩插...
吹风机 里面有个小胶垫装哪里?吹风机里面的小胶垫通常被装在电机的部分下方。它的作用是减震和稳定电机的运转,防止电机在运行过程中产生过多的噪音和振动。小胶垫的材质一般为橡胶或硅胶,...
如何 维修吹风机 _住范儿家装官网吹风机集合了两类小家电的特征:加热电器和电动工具。因此,吹风机中既有加热元件,也有风扇电动机。即使吹风机出了最简单的问题,人们大都也懒得维修,...
壁挂电吹风 安装 与拆卸- 一起装修网[回答]4米以上、雨水范围。3.厨房、挂壁空调插座宜根据出线管预留洞位置距地面1家装室内的开关插座高度1.开关安装高度一般离地1,开关离六框的边缘距离为0...
徕芬 吹风机 磁吸支架怎么 安装 ?徕芬吹风机磁吸支架安装方法1、按螺丝尺度在装置方位钻2-¢6装置孔,并用随机附送的胶塞塞入,将装置螺丝将挂钩紧固在上面的孔。2、将壁挂式电吹风后壳后边...
相关文章

最新评论