电热式家电原理及维修 几款电热式小家电的原理与检修
几款电热式小家电的原理与检修
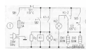
1.万家乐消毒柜
电路如图1所示。闭合电源开关SB1,轻触自复位消毒启动开关SB2,市电经保险丝FU、SB1、消毒温控器ST1常闭触点,SB2加至交流继电器K1使其吸合,K1-1闭合并自保;另一组触点K1-2由常闭的“1”位转向常开的“2”位,加热器EH1、EH2及臭氧发生器O3均得电工作,同时加热指示灯HL1发光。当柜内温度升至119℃时,ST1触点自动断开,K1失电释放,K1—1恢复常开状态,K1—2恢复常闭的“1”位,HL1熄灭,O3停止工作,EH1、EH2失电停止加热,结束一次消毒过程。
如果需要较长时间的保温消毒,可不按动SB2,而闭合保温消毒开关SB3,市电便经FU、SB1、ST1、SB3、保温温控器ST2常闭触点,加至EH1、EH2两端开始加热,同时保温指示灯HL2经K1-2常闭触点“1”获电发光。由于ST2比ST2的控制温度低,故在保温消毒过程中ST1的触点不会断开,只有ST2起控温作用:当温度升至105℃以上时。ST2触点断开,停止加热;当温度降至105℃以下时,ST2触点自动复位闭合,又开始加热,如此反复,保持柜内温度在105℃左右。要停止保温消毒,只需断开SB3便可。
其常见故障及原因为:
(1)高温消毒时加热器不工作:若HL1也不亮,一般为FU熔断,电源插头及SB1、ST1、SB2、K1-1、K1-2触点接触不良,若HL1指示正常,则为K1线圈开路;
(2)高温消毒时加热不停:ST1触点粘结;
(3)保温消毒时不加热:FU熔断,SB1、ST1、SB3、ST2触点接触不良;
(4)保温消毒时加热不停:ST2或ST1触点粘结;
(5)O3不工作:O3损坏;
(6)HL1或HL2不亮:HL1或HL2损坏,K1-2常闭“1”位接触不良(对HL2而言)。
2.自动电开水器
电路如图2。插上电源插头,电源指示灯HL1亮。市电经保险丝FU,温控器ST常闭触点加至交流继电器K1两端,K1吸合后其两组常开触点K1-1、K1-2闭合,加热器EH得电开始加热,HL2发光作加热指示。当水温上升至96℃以上时,ST触点自动断开,K1失电释放,K1-1、K1-2恢复常开状态,EH断电停止加热,HL2熄灭。当续入冷水或水温降至96℃以下时,ST触点又自动复位闭合,K1随之吸台,EH得电又开始加热,HL2发光。如此反反复复工作,保持水温在96℃左右。
其常见故障及原因为:
(1)EH不加热:若HL1不亮,为电源插头接触不良或FU熔断;若HL2不亮,为K1-1、K1—2、ST触点接触不良或K1线圈开路;若HL2亮,则为EH烧断开路;
(2)EH加热不停:ST或K1-1、K1—2触点粘结。
3.自动电饭锅
电路如图3。插上电源插头,市电经保险丝FU,温控器ST常闭触点,加至主加热器EH1两端开始加热,同时加热指示氖灯HL1燃亮。此时ST将辅加热器EH2及R2、HL2支路短接,使其停止工作,HL2熄灭。当温度上升至96℃时,ST触点自动断开,EH1停止工作,保温指示氖灯HL2燃亮,EH2得电进行保温加热。由于EH1功率较大,其阻值比EH2小得多,与EH2分压后其两端电压甚低,故此时EHl不发热,只相当于一只普通低值电阻,一方面使R1、HL1支路近似短路,HL1熄灭;另一方面为EH2及R2、HL2支路提供工作电流。当温度下降至96℃以下时,ST触点又自动复位闭台,EH1又开始加热。如此循环工作,保持锅内温度在96℃左右。
其常见故障及原因为:
(1)EH1不加热:若HL1不亮,为FU熔断,电源插头或ST触点接触不良;若HL1亮,则为EH1烧断开路;
(2)EH1加热不停;ST触点粘结,此时HL2不亮,EH2也不工作;
(3)HL1或HL2不亮:R1、HL1 或R2、H12损坏或开路。
几种常见小家电原理及维修
一、电饭煲
电原理图
常见故障的检修
•1)、现象:插上电源插头,电源保险丝马上熔断。
•检修:
1、电饭煲电源插座内进水或米汤,造成短路。这种情况可以将插座内擦洗干净吹干水分后继续使用。
2、电饭煲电源插座或插头表面碳化,这种情况下最好更换新的插座或插头。假如碳化不严重,能够清理干净,也可暂时使用,但有条件最好更换。
•2)、现象:不能煮饭。
•检修:
1、电源导线断路。用万用表的欧姆挡检查电源导线。
2、限流电阻熔断。这种情况比较多见。此时可用万用表欧姆挡检查该电阻。若该电阻熔断必须用同型号限流电阻更换,不可马虎。
3、发热盘内发热管烧断。此时用万用表的欧姆挡检查发热管,若断路只能更换新的同型号的发热盘。
•3)、现象:煮夹生饭。
•检修:此故障一般是限温器内的永久磁环磁力减弱造成的。引时可拆开是饭煲的限温器检查磁环是否断裂,吸力如何。如已损坏,只能更换新的磁钢。
•4)、煮糊饭
•检修:此故障可能是保温开关的常闭触点烧结粘在一起造成的。虽然饭煮好后限温器也跳下了,但保温开关仍在继续给发热管通电,饭就烧糊了。此时可用小刀把触点分开,然后用细砂纸将触点表面清理干净。
•5)、现象:煮好饭后不能保温。
•检修:此故障可能是保温开关的常闭触点表面脏污或烧蚀,使其触点接触电阻过大,造成触点闭合而电路不通,发热管不工作。此时可用细砂纸将触点表面清理干净,打磨光滑。若烧蚀严重,就只能换新的保温开关。
注意
•维修电饭煲时一定要注重的一点是,由于电饭煲工作时内部通过的是强电,而内部多数元件都是裸露的,所以维修时一定要保证各通有强电的元件不能碰到电饭煲的外壳。维修完毕后,一定要用万用表的欧姆挡的×10k挡测量插头与电饭煲外壳的绝缘电阻,必须确保为无穷大后才可进行使用。
附:确定是否修好除可以接通电源进行测试亦可用万用表(二极管档)检测,煮饭时的阻值约为70——90欧,保温时约为700——900欧。
二、电风扇
电路原理图
•故障一般是通电后不转。检查时,先把风扇竖起放(不可横放,以免安全开关打开),测插头电阻,一般为600——900欧。若有电阻,则无断路或电机烧坏。用手转动风叶看是否能畅顺,如果不能畅顺则为电机轴承太紧,原因是防尘措施不好,且没加润滑油,使风扇转子太紧不能启动。拆开风扇,会发现轴的手感沉重,且通电不久电机发热严重。这时应用力转动轴,并加上机油,直到手感较轻则可。如果能灵活转动则为电容器容量过小或开路。再用万用表测量插头电阻,若无电阻,则先检查安全开关。
•维修时一般极易忽视的是热熔断器,因其藏在贴近电机外壳的下部,难以发现。维修时要特别注意(有的风扇无热熔断器)。风扇电机一般不易烧坏。检查时只要测其公共端和另三档引线间的电阻,若有600-900欧(各档阻值不同)则没坏。要是开路则不能修复。若上述各部件正常,则原因出在电容器,多为电容器击穿。只须更换即可。另外电容器击穿也是造成转速变慢的原因。
•如果风叶转动过慢则为电容器容量过小造成的,更换电容器则可。
•补充:电容为无极性电容,作用是将单相交流电转为二相,以产生二相旋转磁场,使转子转动,同时还可以增高启动转矩。
三、电吹风
吹风机常出现的一些故障
•1.只有冷风或弱热风。通常是电源控制开关损坏或接触不良所致,可拆开电吹风手柄,调换开关或拆开开关进行维修即可。
•2.吹出风过热。引起这种故障的原因可能是电热丝局部短路。修理时,可用镊子拨开电热丝局部短路处,必要时可垫上云母片绝缘。
•3.风量不足。电机转速慢是造成这种故障的主要原因,检查重点在电机或风叶是否受卡阻(多为头发)。如果电机和风叶正常,刚应拆开电机维修,清理电刷和换向器,修好后可在轴承处加少许优质润滑油或缝纫机油。
•4.噪声太响。通常是电机轴承松脱、轴孔磨损或转轴歪斜、风叶受阻等原因所致。
•5.弱热风挡变为强热风挡,风力无区别。一般是二极管IN5397击穿损坏所致,只要换掉新件便可排除故障
四、脱水机
•1:将衣物放入脱水桶内,启动脱水定时器时,会发轰隆的碰击桶壁声、伴有激烈的震动,如何修理?
•脱水电机减震弹簧不良弹性不足;脱水筒壁支撑泡沫脱落;脱水电机轴承不良或损坏;脱水筒与脱水电机连接螺丝松动
•2:脱水机通电后,要用手转动一下才能转,是那里坏了?
•电容、电机、刹车、密封圈油,排除电机、刹车、密封圈油、才可换电容。
•3:脱水机不转
•桶盖上的铁丝连线损坏导致马达被刹住或者定时器损坏;线路接触不良;脱水马达漏电或者损坏(常见的是脱水马达由于潮湿,使底部产生氧化铜漏电,用烘干机烘干或者风筒吹干可以工作);启动电容容量变小或者变质(马达在脱水状态时会产生5555的电流声音);机械故障,转子带动的转盘和脱水桶卡死.
相关问答
电热 毯 原理及维修 方法?电热毯的原理是利用电热丝在加热器中发热,将热量传递到毯子上再传递给人体,达到加热的效果。维修电热毯时,首先要切断电源,然后检查电热丝是否损坏或者接线...
其他类型的用电器功率很大也没问题(比如四台台式电脑),...[回答]我认为这个的设计与其它的不同它是一个串联的电路吧当电阻一用的话就总是断电我想它一定是把闸的设置是用电压来控制的而不是电流!如果是这样的话您...
其工作 原理 大致相同.如图为某种 电热式 电器的简化电路图,...[最佳回答](1)S闭合,电流较大,处于加热状态;S断开,电流较小,处于保温状态(2)由电功率公式得P1=U2R1…③P2=U2R1+R2…④联立③④得R1=121ΩR2=1089Ω答:(1)当...
热得快不通电的修理办法是什么?_住范儿家装官网由于长时间使用,加热器里面的石英砂或陶瓷体与外壳间隙变得越来越大,加上热涨冷缩,它们之间必定产生磨擦,于是我们听到了响声;电热丝在通电的时候会...
电热 饭盒的 原理 是什么 - 懂得电热饭盒其实就是一种能够对食物进行保温加热的一种小型家用电器产品,在使用电热饭盒的时候,通过发热通电之后,它能够使饭盒内部产生出高温的蒸汽,...
全自动 电热 开水器为什么通电又不加热呢 - 郑等等敲可爱 的回...原因及解决2113方法如下:1,大多是温5261控的问题,因为4102温控是整个电热水壶的心1653脏,它的主要功能一直控制着水开到自动脱离电源、或接通电源,...
对流式取暖器的 原理 与 维修 ?工作原理:对流式电暖器是应用空气动力学原理使暖气由下至上,自然对流。耐用性好:这种电暖器罩壳上爲出气口,下方爲进气口,通电后电热管四周的空气被加热上升...
电热器 的 原理 是什么?_住范儿家装官网电热器是利用导体的电阻来产生热量来加热的,由于电流通过导体,导体对电流的阻碍作用,而电流要克服导体的阻力要做功,因为能的转化是靠做功来量度的,...
电热 板内部结构 原理 ?电热板的加热材料主要是电热合金丝,其工作原理非常简单,简直就是电热效果。电加热板工作时,电流通过电加热合金丝,电加热合金丝会发热,将电能转化为热能,并...
一体 电热 锅 原理 ?一体电热锅是一种集成了电热元件和锅体的厨房电器,它的工作原理主要是利用电热元件产生的热量来加热锅体,从而实现烹饪食物的目的。一体电热锅的电热元件通常...
相关文章

最新评论