家电维修常用物理公式 电器常用单位与计算公式及换算方法大集合
电器常用单位与计算公式及换算方法大集合
电工常用单位与公式及换算大全:
电功:电流在一段时间内通过某一电路,电场力所做的功
W表示功,功的单位是:焦耳(J)
W=P*t
P---功率(单位:瓦w)
t---时间(单位:秒s)
W=U*I*t
U---电压(单位:伏V)
I---电流(单位:安A)
t---时间(单位:秒s)
W=I^2*R*t
I---电流(单位:安A)
R---电阻(单位:欧Ω)
t---时间(单位:秒s)
W=U^2/R*t
U---电压(单位:伏V)
R---电阻(单位:欧Ω)
t---时间(单位:秒s)
功率:是指物体在单位时间内所做的功
P表示功率,功率单位是:瓦特(W)
P=W/t
W---电功(单位:焦j或千瓦时kWh)
t---时间(单位:秒s)
P=U*I
U---电压(单位:伏V)
I---电流(单位:安A)
P=U^2/R(只能用于纯电阻电路)
U---电压(单位:伏V)
R---电阻(单位:欧Ω)
P=I^2*R(只能用于纯电阻电路)
I---电流(单位:安A)
R---电阻(单位:欧Ω)
电荷:物体或构成物体的质点所带电的量,是物体或系统中元电荷的代数和
Q表示电荷,电荷的单位是:库仑(C)
电流:指电荷的定向移动
I表示电流,电流的单位是:安培(A)
电流密度:单位时间内通过某一单位面积的电量,方向向量为单位面积相应截面的法向量,指向由正电荷通过此截面的指向确定
J表示电流密度,电流的单位是:安培/方米A/㎡
电压:电势电位差,
电压:电压单位之间的换算.(电压单位有MV吗?不是小写m,是大写M)
1MV=1000KV=1000000V=1000000000mV=1000000000000μV
U表示电压,电压单位是:伏特(V)
U=I*R
I---电流(单位:安A)
R---电阻(单位:欧Ω)
U=P/I
P---功率(单位:瓦w)
I---电流(单位:安A)
U=I*ρ*L/S
I---电流(单位:安A)
ρ---电阻率(单位:欧姆·米Ω·m)
L---物体长度(单位:米m)
S---物体的截面面积(单位:平方米㎡)
电容:指在给定电位差下的电荷储藏量
F表示电容,电容的单位是:法拉(F)
电容率:测定在一个电容两电极之间和周围全部只有绝缘油充满时的电容与同样电板的真空电容之比。
电阻:来表示导体对电流阻碍作用的大小
电阻:电阻单位之间的换算.
1KΩ=1000Ω
R表示电阻,电阻的单位是:欧姆(Ω)
R=U/I
U---电压(单位:伏V)
I---电流(单位:安A)
R=ρ*L/S
ρ---电阻率(单位:欧姆·米Ω·m)
L---物体长度(单位:米m)
S---物体的截面面积(单位:平方米㎡)
电导:表示某一种导体传输电流能力强弱程度
G表示物体的电导,电导的单位是:西门子(S)或者欧姆(Ω)
G=1/R
R---电阻(单位:欧Ω)
G=I/U
I---电流(单位:安A)
U---电压(单位:伏V)
电阻率:某种材料制成的长1米、横截面积是1平方毫米的在常温下(20℃时)导线的电阻
ρ表示电阻率,电阻率单位是:欧姆·米(Ω·m)
ρ=1/κ
κ---电阻率(单位:西门子/米S/m)
ρ=R*S/L
S---横截面积(单位:平方米㎡)
R---电阻(单位:欧Ω)
L---导线的长度(单位:米m)
ρ=E/J
E---电场强度(单位:牛/库N/C)
J---电流密度(单位:安/平方米A/㎡)
ρ=ρo*(1+a*t)
ρo---0℃时的电阻率(单位:欧姆·米Ω·m)
t---摄氏温度(单位:摄氏度)
a---电阻率温度系数
电导率:指在介质中该量与电场强度之积等于传导电流密度。电导率是电阻率的倒数。
κ(希腊字母不是字母K)表示电导率,电导率的单位是:西门子/米(S/m)
κ=1/ρ
ρ---电阻率(单位:欧姆·米Ω·m)
电感:即当通过闭合回路的电流改变时,会出现电动势来抵抗电流的改变
L表示电感,电感的单位是:亨利(H)
电抗:电容和电感在电路中对交流电引起的阻碍作用总称为电抗
X表示电抗,电抗的单位是:欧姆(Ω)
X=XLXc
XL---电路的感抗
Xc---电路的容抗
感抗:一般是因为电路中存在电感电路(如线圈)由此产生的变化的电磁场,会产生相应的阻碍电流流动的电动力。电流变化越大,即电路频率越大,感抗越大;感抗会引起电流与电压之间的相位差。
XL=ωL
ω---角频率(单位:弧度/每秒rad/s)
L---电感(单位:亨利H)
XL=2*π*f*L
f---频率(单位:赫兹Hz)
L---电感(单位:亨利H)
容抗:交流电频率越高,容抗越小,即电容的阻碍作用越小。容抗同样会引起电流与电容两端电压的相位差。
Xc=1/(ω*C)
ω---角频率(单位:弧度/每秒rad/s)
C---电容(单位:法拉F)
Xc=1/(2*π*f*C)
f---频率(单位:赫兹Hz)
C---电容(单位:法拉F)
角频率---在简谐振动中,频率的2π倍叫角频率。
ω表示角频率,角频率单位是:弧度/每秒(rad/s)
ω=2*π*f
f---频率(单位:赫兹H)
加载其电感量按下式计算
线圈公式
阻抗(ohm)=2*3.14159*F(工作频率)*电感量(mH),设定需用360ohm阻抗,因此:
电感量(mH)=阻抗(ohm)&pide;(2*3.14159)&pide;F(工作频率)=360&pide;(2*3.14159)&pide;7.06=8.116mH
据此可以算出绕线圈数:
圈数=[电感量*{(18*圈直径(吋))+(40*圈长(吋))}]&pide;圈直径(吋)
圈数=[8.116*{(18*2.047)+(40*3.74)}]&pide;2.047=19圈
空心电感计算公式
L(mH)=(0.08D.D.N.N)/(3D+9W+10H)
D------线圈直径
N------线圈匝数
d-----线径
H----线圈高度
W----线圈宽度
单位分别为毫米和mH。。
空心线圈电感量计算公式
l=(0.01*D*N*N)/(L/D+0.44)
线圈电感量l单位:微亨
线圈直径D单位:cm
线圈匝数N单位:匝
线圈长度L单位:cm
频率电感电容计算公式
l=25330.3/[(f0*f0)*c]
工作频率:f0单位:MHZ本题f0=125KHZ=0.125
谐振电容:c单位:PF本题建义c=500...1000pf可自行先决定,或由Q
值决定
谐振电感:l单位:微亨
线圈电感的计算公式
1、针对环行CORE,有以下公式可利用:(IRON)
L=N2.ALL=电感值(H)
H-DC=0.4πNI/lN=线圈匝数(圈)
AL=感应系数
H-DC=直流磁化力I=通过电流(A)
l=磁路长度(cm)
l及AL值大小,可参照Micrometal对照表。例如:以T50-52材,线圈5圈半,其L值为T50-52(表示OD为0.5英吋),经查表其AL值约为33nH
L=33.(5.5)2=998.25nH≒1μH
当流过10A电流时,其L值变化可由l=3.74(查表)
H-DC=0.4πNI/l=0.4×3.14×5.5×10/3.74=18.47(查表后)
即可了解L值下降程度(μi%)
2、介绍一个经验公式
L=(k*μ0*μs*N2*S)/l
其中
μ0为真空磁导率=4π*10(-7)。(10的负七次方)
μs为线圈内部磁芯的相对磁导率,空心线圈时μs=1
N2为线圈圈数的平方
S线圈的截面积,单位为平方米
l线圈的长度,单位为米
k系数,取决于线圈的半径(R)与长度(l)的比值。
计算出的电感量的单位为亨利。
计算所有关于电流,电压,电阻,功率的计算公式1、串联电路电流和电压有以下几个规律:(如:R1,R2串联)①电流:I=I1=I2(串联电路中各处的电流相等)②电压:U=U1+U2(总电压等于各处电压之和)③电阻:R=R1+R2(总电阻等于各电阻之和)如果n个阻值相同的电阻串联,则有R总=nR2、并联电路电流和电压有以下几个规律:(如:R1,R2并联)①电流:I=I1+I2(干路电流等于各支路电流之和)②电压:U=U1=U2(干路电压等于各支路电压)③电阻:(总电阻的倒数等于各并联电阻的倒数和)或 。如果n个阻值相同的电阻并联,则有R总= R 注意:并联电路的总电阻比任何一个支路电阻都小。电功计算公式:W=UIt(式中单位W→焦(J);U→伏(V);I→安(A);t→秒)。5、利用W=UIt计算电功时注意:①式中的W、U、I和t是在同一段电路;②计算时单位要统一;③已知任意的三个量都可以求出第四个量。6、计算电功还可用以下公式:W=I2Rt ;W=Pt;W=UQ(Q是电量);一、利用低压配电盘上的三根有功电度表,电流互感器、电压表、电流表计算一段时间内的平均有功功率、现在功率、无功功率和功率因数。
(一)利用三相有功电度表和电流互感器计算有功功率
式中 N——测量的电度表圆盘转数
K——电度表常数(即每kW·h转数)
t——测量N转时所需的时间S
CT——电流互感器的变交流比
(二)在三相负荷基本平衡和稳定的情况下,利用电压表、电流表的指示数计算视在功率
(三)求出了有功功率和视在功率就可计算无功功率
(四)根据有功功率和现在功率,可计算出功率因数
例1某单位配电盘上装有一块500转/kW·h电度表,三支100/5电流互感器,电压表指示在400V,电流表指示在22A,在三相电压、电流平衡稳定的情况下,测试电度表圆盘转数是60S转了5圈。求有功功率、现在功率、无功功率、功率因数各为多少?
[解]①将数值代入公式(1),得有功功率P=12kW
②将数值代入公式(2);得视在功率S=15kVA
③由有功功率和视在功率代入公式(3),得无功功率Q=8l kVar
④由有功功率和现在功率代入公式(4),得功率因数cosφ= 0.8
二、利用秒表现场测试电度表误差的方法
(一)首先选定圆盘转数,按下式计算出电度表有N转内的标准时间
式中 N——选定转数
P——实际功率kW
K——电度表常数(即每kW·h转数)
CT——电流互感器交流比
(二)根据实际测试的时间(S)。求电度表误差
式中 T——N转的标准时间s
t——用秒表实际测试的N转所需时间(s)
注:如果计算出的数是正数,电度表决;负数,则是慢。
【例】某用户有一块750转/kW·h上电度表,配有150/5电流互感器,接有10kW的负载,现场测试60s圆盘转了5圈。求电度表误差是多少?
〔解〕①先求电度表转5圈时的标准秒数由公式(1),得T=72s
②由公式(2)得出电度表误差ε=20%,快20%。
三、配电变压器的高低压熔丝选择方法
(一)先计算变压器高低压侧的额定电流
式中 S——变压器容量kVA
U——电压kV
(二)高压熔丝=Ix(1.5~2.5) (2)
(三)低压保险丝=低压额定电流(I) (3)
(例)有一台50kVA变压器,高压侧额定电压10kV,低压侧的额定电压 0.4kV。求高低压的额定电流各是多少 A?高压侧应选择多少A的熔丝?低压侧应选择多少A的保险丝?
〔解〕①将数值代入公式(1),得高压电流I= 2.8 A
②将数值代入公式(l),得低压电流I=72A
③高压侧熔丝=2.8x(1.5~2.5)=4.2~7A可选择5A的熔丝。
④低压额定电流是72A,可选择80A的保险丝。
四、架空线路铝绞线的截面选择简捷公式
(一)首先计算负荷矩M=kW.km
(二)选用铝导线时,每kW·km可按4mm2估算,即;导线截面S=M·4mm2
[例]某单位在离配电变压器800m处按一台10kW的电动机。应选择多大截面的错绞线?
〔解〕①先把m化成km,即800m=0.8km
②计算负荷矩M= 10 x 0.8=8kW·km
③将数值代入公式(2),得导线截面
S= 8 x 4=32mm2,应选用35mm2的铝绞线。
五、拉线坑与电杆的距离和拉线长度的计算公式
(一)拉线坑与电杆的距离计算公式L=h·ctga(m)
式中 h——电杆高度(电杆在地面与拉线悬挂点间的高度)
a——拉线与电杆的夹角(技术规程规定拉线与电杆的夹角一般采用45˚,在地形限制的情况下可采用30˚或60˚)
注:Ctg45˚=1 ctg30˚=1.732 ctg60˚=0.577
(二)使用楔型线夹扎上把,uT型线夹扎下把时拉线长度计算公式:
L=h/sina十上下把绑扎长度——拉线棒露出地面的长度
式中 h——电杆高度(电杆在地面与拉线悬挂点间的高度)m
a——拉线与电杆的夹角
注:Sin45˚=0.707, Sin30˚=0.5,Sin60˚=0.866。
[例]有一根终端杆打一条拉线,电杆在地面与拉线悬挂点间的高度是8m,电杆与拉线的夹角是45˚,拉线上把使用楔型线夹,下把使用uT型线夹,上下把绑扎长度 lm,拉线棒露出地面lm.计算拉线坑与电杆间的距离和拉线长度各为多少m?
[解]①将数值代入公式(1),得拉线坑与电杆间的距离L=8m
②将数值代入公式(2),得拉线长度L=11.3m。
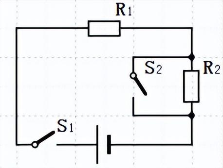
中考物理难点分析:电热器及其档位问题(考点讲解及真题解析)
电热器及其档位问题
【核心考点讲解 】
1、原理:电热器档位越高,对应的实际功率越大;
2、公式:
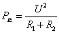
(1)S1接b、S2断开时,R1和R2串联,电阻最大,实际功率小,处于低档,
此时电路功率
(串联电路合着求)
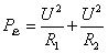
(2)断开S1、闭合S2时,只有R1接入电路,处于中档,
此时电路功率
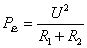
(3)S1接b、S2闭合时,R1和R2并联,电阻最小,实际功率大,处于高档,
此时电路功率
(并联电路分着求)
(1)S1闭合、S2断开时,R1和R2串联,电阻最大,实际功率小,处于低档,
此时电路功率
(2)S1、S2闭合时,只有R1接入电路,电阻最小,实际功率大,处于高档,
此时电路功率
【必刷题型精练 】
相关问答
我要初二、初三 物理公式 ~~~复习急用,拜托了_作业帮[回答]物理量单位公式名称符号名称符号质量m千克kgm=pv温度t摄氏度°C速度v米/秒m/sv=s/t密度p千克/米³kg/m³p=m/v力(重力).....
初中物理 电学部分的所有的 公式 有哪些?_作业帮[最佳回答]电学公式及基本规律一、串联、并联(两路)的特点:1.串联:①电流处处相等.I=I1=I2②电压等于各用电器电压之和.U=U1+U2③串联电路中总电阻等...
初中物理 的所有 公式 ?声、光、点、热、机械、运动等_作业帮[最佳回答]初中物理公式汇编【力学部分】1、速度:V=S/t2、重力:G=mg3、密度:ρ=m/V4、压强:p=F/S5、液体压强:p=ρgh6、浮力:(1)、F浮=F’-F(压力...
用电量的 物理公式 是什么?知道电器的用电量是多少,知道了功...用电量是安千瓦/小时计算,也就是说一千瓦的负载一小时的用电量就是一度电。
【电学中所有的 公式 】作业帮[最佳回答]高中物理电学部分所有公式所有电学部分的公式以及每个字母所表示的物理量及其单位满意答案:欧姆定律的应用:①同一电阻的阻值不变,与电流和电压无...
八年级下期期中 物理 概念 公式 拜托各位大神马上就期中考试了,...[最佳回答]第四章电路1.摩擦起电两种电荷静电——电荷种类的判断;验电器结构(P45图);电量(单位:库仑C)物质微观结构——原子结构(可与化学中原子概念对照...
初中物理 电学 公式 P=UIP=U^2IU=IR这三个 公式 的含义与用途是什...[最佳回答]P=UI是电功率的定义式,求任何用电器功率都能使用,而P=U^2IU=IR只适用于纯电阻用电器(点能完全转化为热能的用电器),你说的“用电器它的输出功率P=...
物理 电功率 公式 ?电流在单位时间内做的功叫做电功率,是用来表示消耗电能的快慢的物理量。下面整理了电功率的计算公式,供大家参考。电功率的计算公式1.P=W/t主要适用于已知...
【1度电能使1W的用电器工作多少小时? 公式 是什么?是不是2W的...[最佳回答]一度电是我们老百姓的口语,在物理上说的一度电是1KW.h(千瓦时),也就是说1000瓦的设备用一小时电就是一度.这样看,1W的用电器可以用上1000小时了.公...
【求初三全册 物理公式 及变型式.(只要公式就可以了,不要知识...[最佳回答]速度V(m/S)v=S:路程/t:时间重力G(N)G=mgm:质量g:9.8N/kg或者10N/kg密度ρ(kg/m3)ρ=m/Vm:质量V:体积合力F合(N)方向相同:...
相关文章
-
扬州搞AI获客代理这事,我跑了三个月才敢跟你说句实话详细阅读
上礼拜在老码头吃干拌面,隔壁桌俩小伙子聊天,一个说现在生意难做,发一万条短信都没个响儿,另一个神神秘秘压低声音:“你得搞AI获客,我表哥在扬州做AI代...
2026-04-18 5
-
扬州ai外呼系统代理,是门好生意不?听听我这个过来人的大实话详细阅读
前两天跟个老友在望月路吃烧烤,他忽然问我:“你现在搞那个扬州ai外呼系统代理,到底咋样?能不能搞?”我当时嘴里嚼着羊肉串,差点没给他呛着。这事儿说来话...
2026-04-18 6
-
我雇了个“我”去上班,自己在家睡大觉:聊聊正在爆发的AI分身详细阅读
你有没有那种感觉?就是每天睁开眼,一看手机上的日程,好家伙,又是三个会撞在一起。这边老板要方案,那边甲方要扯皮,家里还催着你去接孩子。这时候我真恨不得...
2026-04-18 5
-
我那龟儿子般的塔斯AI代理,竟然把我从“表哥表姐”的坑里捞出来了详细阅读
哎呦喂,说起这段时间的经历,我真是一把鼻涕一把泪。之前我在一家电商公司做运营,说白了就是个“表哥表姐”,天天跟Excel表格干仗。你们晓得不?每天早上...
2026-04-18 5
-
我那朋友被“销冠”坑惨了,才明白选对AI代理到底有多重要!详细阅读
上礼拜跟几个老友撸串,几杯啤酒下肚,在郑州做家装的老李差点哭出来。 他去年不是砸了不少钱搞了个什么“智能销售系统”嘛,说是能自动跟客户聊天、自动挖线...
2026-04-18 5
-
我那晚差点被AI“炒鱿鱼”,才搞懂啥叫AI代理基础设施详细阅读
说出来你们可能不信,就在上礼拜,我差点被一个AI给“开了”。 事情是这样的,我不是一直自诩为“数字游民”嘛,平时全靠一台笔记本走天下。上礼拜接了个急...
2026-04-18 7
-
我花3万块雇了个“假人”,它却把我的微信私域盘活了?聊聊AI智能数字人代理这档子事详细阅读
哎,说起这事儿,还真有点意思。 上个月我不是去了一趟深圳嘛,参加那个啥AGIC的展会,本来是想去看看有啥新鲜的电子元器件,结果你猜怎么着?在天美科技...
2026-04-18 9
-
我花30块在闲鱼买了個邀请码,才整明白啥是AI动画代理,这玩意儿真能把人看哭!详细阅读
哎,大伙儿好!今天咱不聊那些虚头巴脑的大道理,就聊聊我这几天跟一个新鲜玩意儿——AI动画代理——死磕到底的经历。 先说个糗事。就在上礼拜,我刷短视频...
2026-04-18 9

最新评论