智能化家电维修电流 创维液晶电视50E6100我这样改背光电流
创维液晶电视50E6100我这样改背光电流
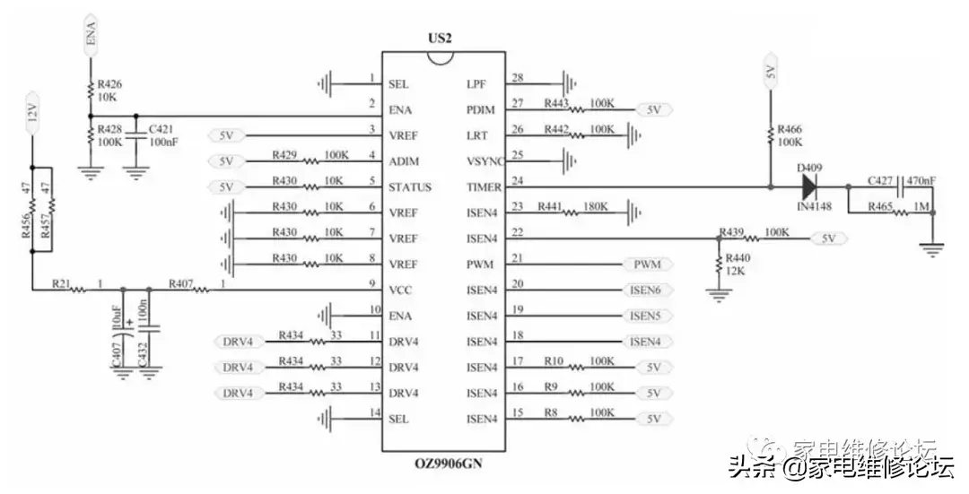
创维液晶电视50E6100开机背光点亮后保护,点亮瞬间观察发现屏幕上部有局部黑的。开机检查发现上面那组灯珠开路,于是拆屏幕,结果发现有一组灯珠坏了一个,别的灯珠没有发黑现象。于是更换坏的灯珠,电视机修复,不过为了稳妥起见,决定将背光电流改小点。
这个电源板和恒流板一起的,共有三组灯组,电路也有三个恒流三极管,结果当我去掉三极管射极一个3.9欧电阻后电流由300多毫安降到200多毫安,感觉不尽理想。于是又去掉一个3.9欧电阻,这个时候开机背光就保护了,查阅了一些资料,也没有找出这个28脚OZ9906去保护的资料。于是结合电路分析,感觉这个恒流三极管射极检测电流应该有双重作用,一个是作为灯组是否正常工作,即是作为灯组电流是否正常检测,还有就是电流负反馈。
于是通过分析多次试验后,将电流反馈电阻1K改为5K左右背光也不再保护,这样我测试电流差不多100MA左右,这样我就放心多了,看看哪位还有更好的这款电源板改背光电流的方法?(作者:科利达王www.jdwx.info)
液晶电源工装板,带电流监控,维修测试通用多功能检测工具
液晶主板维修电源工装,维修测试通用检测工具。单片机驱动控制,独特电流检测功能。数码显示、接口丰富、功能全面,是维修人员常备的实用工具。
本款智能电源工装由单片机驱动,带有独特的电流实时监视功能 、电压显示功能,设计有总电源开关,强制开机开关,方便给液晶电视打印信息和强制开机。
认准店铺名:家电维修论坛
维修用电源工装板 淘宝链接:
https://item.taobao.com/item.htm?id=618739134482
复制链接到浏览器或手机淘宝打开
相关问答
常用 家电电流值 ,越多越好,就要电流值,不要电压,快_作业帮[最佳回答]常用家电电流值如下:1.计算器中电源的电流\x09约100μA2.半导体收音机电源的电流\x09约50mA3.手电筒中的电流\x09约200mA4.房间灯泡中的电流\x09约...
...用电器正常工作时 电流 分别为多少?最大是谁,最小是谁?_作业帮[最佳回答]台灯:0.1-0.3A彩电:0.2-0.5A半导体收音机:0.01-0.1A电风扇:0.1-0.3A冰箱:0.3-1A电熨斗:1-4A
2500W的 家电电流 怎么算?要看什么家电,如果是阻性的,像是电水壶、电饭煲就按2500/220算=11.4安,如果是感性和容性的,比如说开关电源(充电器、电脑电源)和灯具,那么就得看功因,一...要...
家用电器的 电流 是多少?一、家用电视机按大小和形式功率在50W到300W之间。功率(P)等于额定电压(U)乘以电流(I),所以电视机的电流在0.227A到1.364A。二、家用电风扇功率在25W到100W...
电饭锅2100瓦多大 电流 ?瓦特是功率的单位,它的计算公式是P=UIu是电压的表示符号单位为福特Vi是电流的表示符号单位为安培A所以说求电流i=p/u题目已知功率为2100w那么只需要知道电压...
问几个家用电器的电压和 电流 ?1.额定电压,如220V;(必需)2.额定功率,如40W;(必需)3.交流电的频率,如50Hz;4.额定电流,如1.5A。家用电器的电功率1、空调——约1000W2、微...1.额定...
正常家用漏保 电流 是多少?正常家用漏保电流是指漏电保护器在正常工作状态下所允许通过的最大电流。一般来说,家用漏保电流的整定值应该在20mA至30mA之间,具体数值取决于漏电保护器...
家用电器最大 电流 国家规定?一、工作温度30℃,长期连续90%负载下,电线允许通过的最大电流如下:1.5平方毫米——13A2.5平方毫米——26A4平方毫米——32A6平方毫米——47A16平方毫米...
【 电流 发热的功率为P=I& #178;R(其中P表示 电流 发热的功率,单...[最佳回答]P=I²R1800=I²*18I²=100I=10A
一千瓦等于多少瓦 电流 ?一千瓦等于4.55安电流。家用电器设备都是居民用电电压等级为220V,电流的计算公式是I=P/U=1000/220=4.55A,这里要注意功率的单位,先要把单位换算成一致,计算...
相关文章
-
深圳AI代理产品大起底:别再只盯着一只“龙虾”,这些宝藏你可能真不知道!详细阅读
这段时间要是你没听过“龙虾”这两个字,那你可能真有点脱离科技圈了。不是我吹牛,上个月我去深圳南山朋友公司喝茶,十句话里有八句离不开OpenClaw,也...
2026-04-19 2
-
深圳AI代理产品公司哪家强?2026年实地探访,帮你避坑选对合作伙伴!详细阅读
哎哟喂,最近这AI的风刮得是真猛,特别是那个叫啥OpenClaw的“小龙虾”,火得一塌糊涂。我身边好多做生意的朋友,不管是开工厂的还是搞外贸的,见面第...
2026-04-19 3
-
河北的空气能代理,别被“智能”忽悠了!咱们要的是真省心详细阅读
这几天石家庄热得人发昏,可我那老同学二军却忙活得热火朝天。这哥们儿去年在保定底下县城盘了个门脸,专做空气能。上礼拜找他喝酒,脸晒得跟黑蛋似的,但眼里冒...
2026-04-19 8
-
柳州这波AI操作真滴蛮牛!以后办事不用求人,连螺蛳粉都要“成精”了?详细阅读
兄弟们,姐妹们,还有各位在柳州做螺蛳粉生意的老板们,大家好! 说实话,以前提到柳州,大家脑子里蹦出来的是啥?是不是那股子又香又臭、让人上头欲罢不能的...
2026-04-19 22
-
搞钱的路子咋就这么难?直到我试了试这个“笨办法”详细阅读
哎,说起这两年,心里头就俩字:焦虑。特别是看着身边以前一起撸串吹牛的老铁,突然就闷声发大财了,开上好车,那心里头,就跟猫抓似的。咱也不是没文化,也不是...
2026-04-19 25
-
搞钱新路子!AI视频搬运代理是啥玩意儿?小白也能月入过万?详细阅读
哎,大伙儿,最近老张我这儿后台快被问爆了,好多朋友都在问同一个事儿:“现在网上说的那个AI视频搬运代理到底靠不靠谱啊?是不是又是割韭菜的?” 说实话,...
2026-04-19 25
-
掉进钱眼儿里才说实话:搞了个Ai盒子代理,真比实体店舒坦多了!详细阅读
哎呦喂,老铁们,今天咱不整那些虚头巴脑的,就掏心窝子唠点实在磕。恁说说,这两年实体生意是不是邪了门了?我那个老表在郑州银基商贸城,干了十来年服装批发,...
2026-04-19 25
-
挖到宝!台湾AI作业机代理招商,咱小老百姓的翻身机会来啦(真心话)详细阅读
哎哟喂,最近后台好多朋友在问我,说这年头生意越来越难做,到底搞点什么能赚到钱?特别是咱台湾本地的乡亲,不管是高雄开小吃店的头家,还是台北刚毕业在找头路...
2026-04-19 25

最新评论